|
На данной странице представлена ознакомительная часть выбранного Вами патента
Для получения более подробной информации о патенте (полное описание, формула изобретения и т.д.) Вам необходимо сделать заказ. Нажмите на «Корзину»
| СИСТЕМА ЗАЖИГАНИЯ ТРАНСПОРТНОГО СРЕДСТВА |  |
Номер публикации патента: 2166663 |  |
| Редакция МПК: | 7 | | Основные коды МПК: | F02P003/04 | | Аналоги изобретения: | АКИМОВ С.В. и др. Электрическое и электронное оборудование автомобилей. М.: Машиностроение, 1988, с.134, рис.68. DE 2126428 А, 21.03.1974. FR 2152166 А, 25.05.1973. DE 2808468 A1, 06.03.1979. RU 2020258 С1, 30.06.1994. |
| Имя заявителя: | Общевойсковая академия вооруженных сил РФ | | Изобретатели: | Сидоров Б.Н. | | Патентообладатели: | Общевойсковая академия вооруженных сил РФ |
Реферат |  |
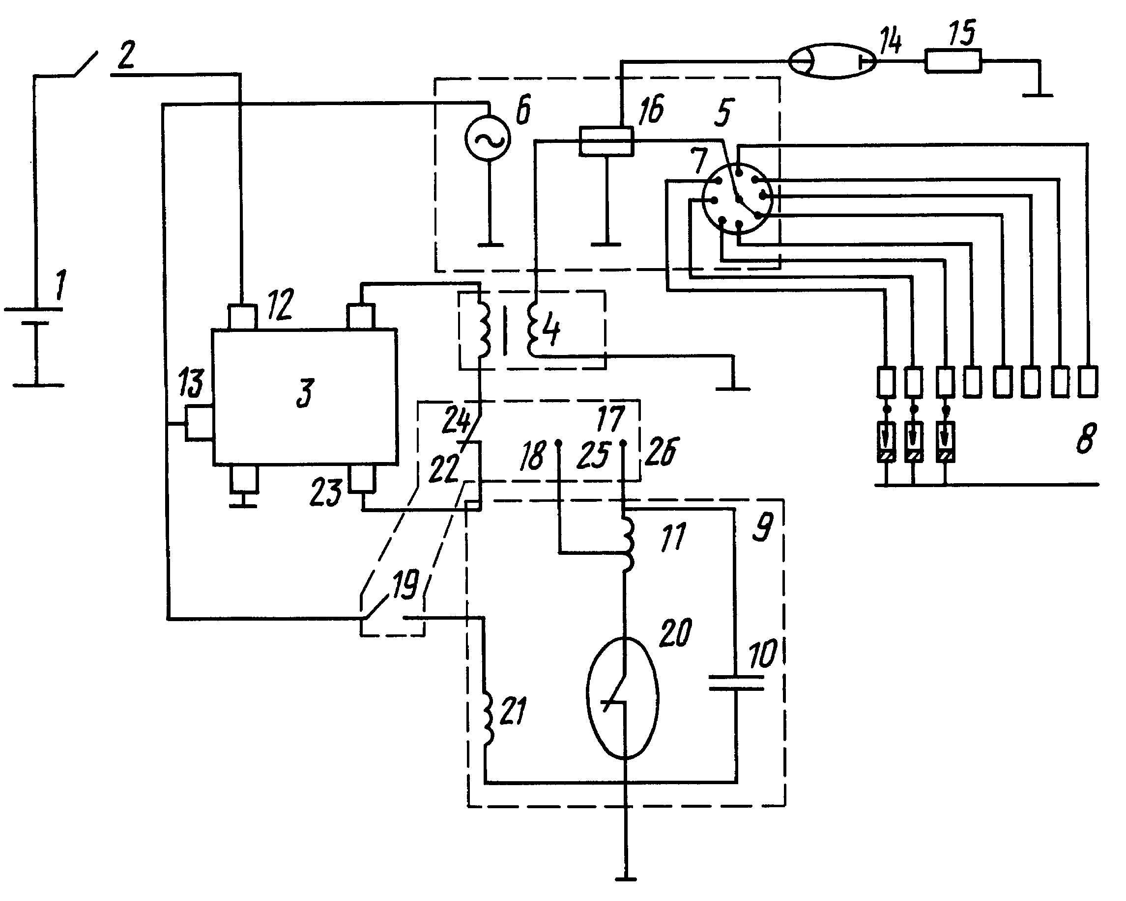
Система зажигания транспортного средства, относящегося к электрооборудованию автомобилей, в частности к системам зажигания, может быть использована на автомобильной технике, оборудованной двигателями с принудительным воспламенением рабочей смеси, подвергающейся воздействию условий, неблагоприятных для работы электрической аппаратуры, содержит источник питания, выключатель зажигания, транзисторный коммутатор, катушку зажигания, датчик-распределитель, включающий датчик импульсов и распределитель, свечи зажигания и аварийное коммутирующее устройство, содержащее искрогасительный конденсатор и обмотку управления, подключенную параллельно конденсатору, при этом положительный вывод источника питания подключен через выключатель зажигания к первой клемме транзисторного коммутатора и первичной обмотке катушки зажигания, вторичная обмотка которой подключена одним выводом к общей шине, а вторым - к центральному выводу крышки датчика-распределителя, свободные концы которой через свечи зажигания подключены к общей шине. В систему дополнительно введены газоразрядная лампа, резистор, наконечник, прикрепленный на провод, соединяющий высоковольтный вывод катушки зажигания и центральный вывод крышки датчика-распределителя и подключенный к общей шине одним своим выводом непосредственно, а вторым - через газоразрядную лампу и резистор, переключатель работы с двумя группами контактов, аварийное коммутирующее устройство дополнительно содержит геркон и параллельную управляющую обмотку, причем геркон соединен последовательно с обмоткой управления и параллельно с конденсатором, а свободный электрод геркона подключен через общую шину к корпусу коммутатора и отрицательному выводу источника питания. 1 з.п. ф-лы, 1 ил.
|