|
На данной странице представлена ознакомительная часть выбранного Вами патента
Для получения более подробной информации о патенте (полное описание, формула изобретения и т.д.) Вам необходимо сделать заказ. Нажмите на «Корзину»
| МАЖОРИТАРНОЕ УСТРОЙСТВО |  |
Номер публикации патента: 2173876 |  |
| Редакция МПК: | 7 | | Основные коды МПК: | G06F011/18 H05K010/00 | | Аналоги изобретения: | RU 2037873 C1, 19.06.1995. RU 2141130 C1, 10.11.1999. US 5140594 A, 18.08.1992. US 3706044 A, 12.12.1972. |
| Имя заявителя: | Открытое акционерное общество "Ракетно-космическая корпорация "Энергия" им. С.П. Королева" | | Изобретатели: | Дорофеев В.Б. Куракин М.А. | | Патентообладатели: | Открытое акционерное общество "Ракетно-космическая корпорация "Энергия" им. С.П. Королева" |
Реферат |  |
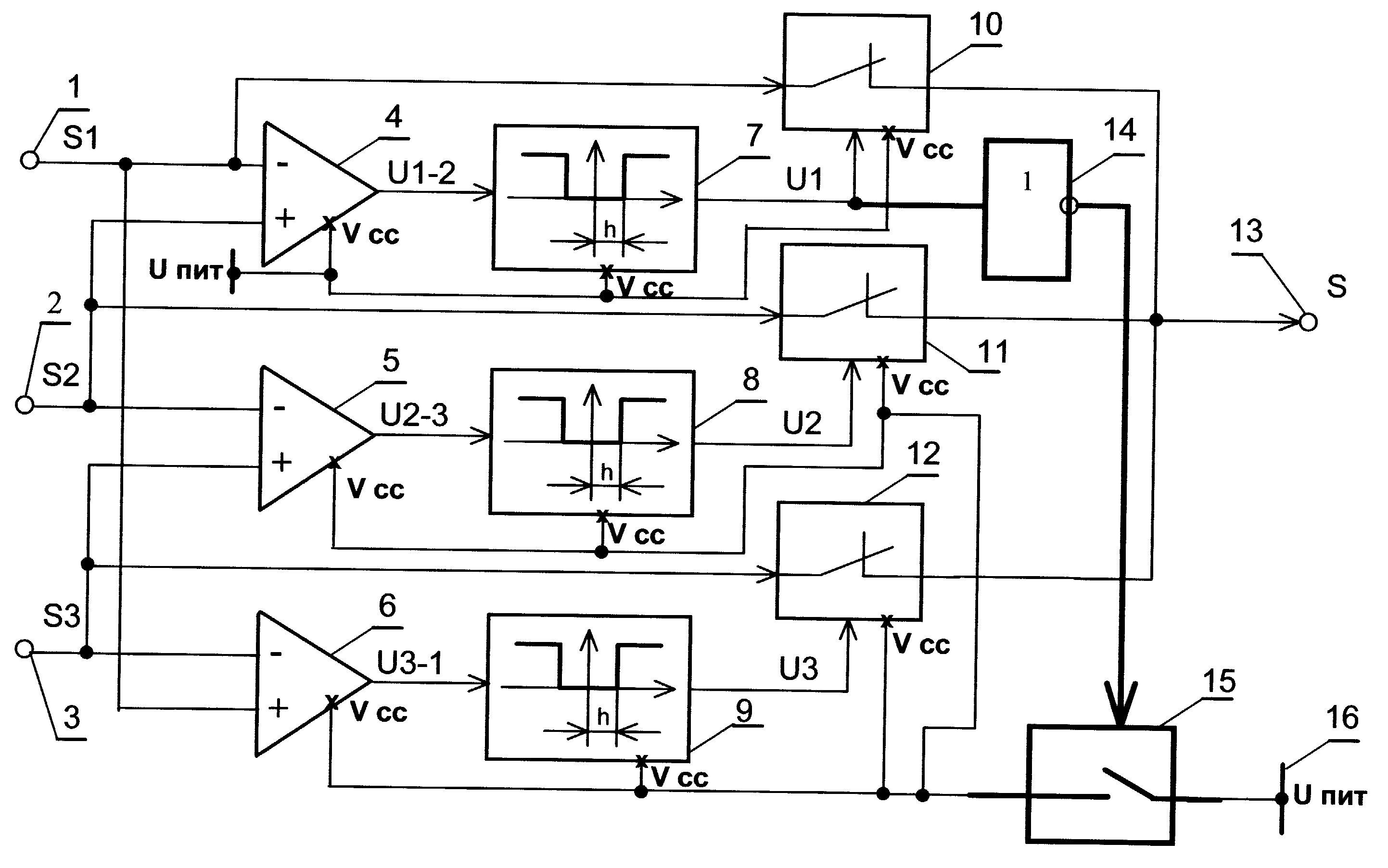
Изобретение относится к электронной технике и может быть использовано при построении высоконадежных устройств и систем, проектируемых по методу горячего резервирования. Технический результат заключается в уменьшении потребления электроэнергии и повышении надежности мажоритарного устройства. Технический результат достигается за счет того, что в устройство, содержащее первый, второй и третий операционные усилители, первый, второй и третий ключи, первый, второй и третий релейные элементы, дополнительно введены четвертый ключ и логический элемент НЕ, вход которого соединен с выходом первого релейного элемента, а выход соединен с управляющим входом четвертого ключа, сигнальный вход которого соединен с шиной питания, сигнальный выход четвертого ключа соединен со входами питания вторых и третьих операционных усилителей, релейных элементов и ключей. 1 ил., 2 табл.
|