Промышленная Сибирь Ярмарка Сибири Промышленность СФО Электронные торги НОУ-ХАУ Электронные магазины Карта сайта
 
 

Поиск патентов

Как искать?
Реферат
Название
Публикация
Регистрационный номер
Имя заявителя
Имя изобретателя
Имя патентообладателя

    





Оформить заказ и задать интересующие Вас вопросы Вы можете напрямую c 6-00 до 14-30 по московскому времени кроме сб, вс. whatsapp 8-950-950-9888

На данной странице представлена ознакомительная часть выбранного Вами патента

Для получения более подробной информации о патенте (полное описание, формула изобретения и т.д.) Вам необходимо сделать заказ. Нажмите на «Корзину»


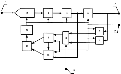
ЦИФРОВОЙ КАНАЛЬНЫЙ ДЕКОДЕР ДЛЯ ПОТОКА DVD/CD ДАННЫХ

Номер публикации патента: 2365060

Вид документа: C1 
Страна публикации: RU 
Рег. номер заявки: 2007145033/09 
  Сделать заказПолучить полное описание патента

Редакция МПК: 
Основные коды МПК: H04N005/76   G11B005/09    
Аналоги изобретения: US 6157604 А, 05.12.2000. RU 2072566 С1, 27.01.1997. RU 2277267 С2, 27.05.2006. US 5276818 А, 10.03.1998. US 6023386 А, 08.02.2000. ЕР 1271514 А1, 02.01.2003. 

Имя заявителя: Общество с ограниченной ответственностью "Юник Ай Сиз" (ООО "Юник Ай Сиз") (RU) 
Изобретатели: Кусмарцев Андрей Александрович (RU)
Прянишников Владимир Николаевич (RU)
Прянишников Дмитрий Владимирович (RU) 
Патентообладатели: Общество с ограниченной ответственностью "Юник Ай Сиз" (ООО "Юник Ай Сиз") (RU) 

Реферат


Изобретение относится к области электронной техники и может быть использовано в системах восстановления сигналов данных и синхронизации в устройствах для считывания информации с оптических носителей CD и DVD. Технический результат - расширение функциональных возможностей путем восстановления данных и рабочего диапазона частот, обеспечение плавной перестройки внутри этого диапазона и синхронный с битовым потоком данных режим работы эквалайзера. Для достижения данных результатов в цифровой канальный декодер для потока DVD/CD данных, содержащий аналого-цифровой преобразователь, цифровой эквалайзер, цифровой компаратор, частотный детектор, цифровой фазовый детектор, петлевой фильтр, аналоговый вход RF данных, выход восстановленных данных, выход восстановленных импульсов синхронизации, переключение режима DVD/CD, дополнительно введены цифровой фильтр нижних частот, устройство выделения синхросимволов из потока DVD, устройство выделения синхросимволов из потока CD, переключатель режимов CD/DVD и генератор, управляемый напряжением. 1 ил.

Дирекция сайта "Промышленная Сибирь"
Россия, г.Омск, ул.Учебная, 199-Б, к.408А
Сайт открыт 01.11.2000
© 2000-2018 Промышленная Сибирь
Разработка дизайна сайта:
Дизайн-студия "RayStudio"