Промышленная Сибирь Ярмарка Сибири Промышленность СФО Электронные торги НОУ-ХАУ Электронные магазины Карта сайта
 
 

Поиск патентов

Как искать?
Реферат
Название
Публикация
Регистрационный номер
Имя заявителя
Имя изобретателя
Имя патентообладателя

    





Оформить заказ и задать интересующие Вас вопросы Вы можете напрямую c 6-00 до 14-30 по московскому времени кроме сб, вс. whatsapp 8-950-950-9888

На данной странице представлена ознакомительная часть выбранного Вами патента

Для получения более подробной информации о патенте (полное описание, формула изобретения и т.д.) Вам необходимо сделать заказ. Нажмите на «Корзину»


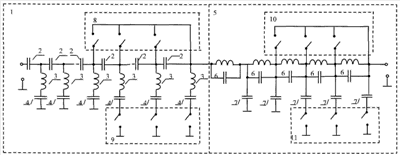
ПОЛОСОВОЙ ПЕРЕСТРАИВАЕМЫЙ LC - ФИЛЬТР

Номер публикации патента: 2396701

Вид документа: C2 
Страна публикации: RU 
Рег. номер заявки: 2008142162/09 
  Сделать заказПолучить полное описание патента

Редакция МПК: 
Основные коды МПК: H03H007/075   H03H007/12   H03H019/00    
Аналоги изобретения: БОСЫЙ Н.Д. Электрические фильтры, Гос. из-во технической литературы УССР, 1960, с.185. SU 1356216 A1, 30.11.1987. CN 101262209 A, 10.09.2008. US 2005184828 A1, 25.08.2005. EP 0387954 A1, 19.09.1990. 

Имя заявителя: Федеральное государственное унитарное предприятие "Омский научно-исследовательский институт приборостроения" (RU) 
Изобретатели: Насонова Лилия Владиславовна (RU)
Ясинский Игорь Михайлович (RU)
Яковлев Андрей Николаевич (RU) 
Патентообладатели: Федеральное государственное унитарное предприятие "Омский научно-исследовательский институт приборостроения" (RU) 

Реферат


Изобретение относится к радиоэлектронике. Технический результат: упрощение. Полосовой перестраиваемый LC-фильтр, состоящий из n каскадно включенных Г-образных полузвеньев фильтров верхних частот, каждое из которых содержит конденсатор в последовательной ветви, первый вывод конденсатора является входом полузвена, а второй - выходом, к которому подключена катушка индуктивности, второй выход которой соединен с другим кнденсатором, при этом вход первого полузвена соединен с входной потенциальной клеммой фильтра, а вторые выводы конденсаторов, входящих в параллельные ветви первых k полузвеньев, подключены к общей шине, к выходу последнего полузвена подключены каскадно m Г-образных полузвеньев фильтров нижних частот, каждое из которых содержит в последовательной ветви катушку индуктивности и параллельно с нею соединенный конденсатор, первые выводы этой катушки и конденсатора являются входом полузвена, а их вторые выводы - выходом, к которому подключен другой конденсатор, при этом выход последнего полузвена соединен с выходной потенциальной клеммой фильтра, а вторые выводы конденсаторов параллельных ветвей последних l полузвеньев фильтров нижних частот соединены с общей шиной, здесь k
Дирекция сайта "Промышленная Сибирь"
Россия, г.Омск, ул.Учебная, 199-Б, к.408А
Сайт открыт 01.11.2000
© 2000-2018 Промышленная Сибирь
Разработка дизайна сайта:
Дизайн-студия "RayStudio"