Промышленная Сибирь Ярмарка Сибири Промышленность СФО Электронные торги НОУ-ХАУ Электронные магазины Карта сайта
 
 

Поиск патентов

Как искать?
Реферат
Название
Публикация
Регистрационный номер
Имя заявителя
Имя изобретателя
Имя патентообладателя

    





Оформить заказ и задать интересующие Вас вопросы Вы можете напрямую c 6-00 до 14-30 по московскому времени кроме сб, вс. whatsapp 8-950-950-9888

На данной странице представлена ознакомительная часть выбранного Вами патента

Для получения более подробной информации о патенте (полное описание, формула изобретения и т.д.) Вам необходимо сделать заказ. Нажмите на «Корзину»


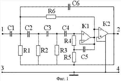
АКТИВНЫЙ ФИЛЬТР ВЕРХНИХ ЧАСТОТ ЧЕТВЕРТОГО ПОРЯДКА

Номер публикации патента: 2388140

Вид документа: C2 
Страна публикации: RU 
Рег. номер заявки: 2008109559/09 
  Сделать заказПолучить полное описание патента

Редакция МПК: 
Основные коды МПК: H03H011/12    
Аналоги изобретения: ФОЛКЕНБЕРРИ Л. Применения операционных усилителей в линейных ИС. - М.: Мир, 1985, с.223, рис.8.24. RU 2149500 C1, 20.05.2000. US 4326172 A, 20.04.1982. ЩЕРБАКОВ В.И. и др. Электронные схемы на операционных усилителях. Справочник. - Киев: Техника, 1983, с.58, 59. ДЁМИН А.А. и др. Активные избирательные устройства радиоаппаратуры. Под ред. В.В.Масленникова. - М.: Радио и связь, 1987. 

Имя заявителя: Государственное образовательное учреждение высшего профессионального образования "Воронежское высшее военное авиационное инженерное училище (военный институт)" Министерства обороны Российской Федерации (RU) 
Изобретатели: Змий Борис Филиппович (RU)
Дружинина Наталья Александровна (RU) 
Патентообладатели: Государственное образовательное учреждение высшего профессионального образования "Воронежское высшее военное авиационное инженерное училище (военный институт)" Министерства обороны Российской Федерации (RU) 

Реферат


Изобретение относится к области радиотехники и может быть использовано в каналообразующей аппаратуре для реализации фильтрового оборудования с высокими показателями: избирательности, динамического и частотного диапазонов. Технический результат: уменьшение значений чувствительности передаточной функции к отклонению параметров усилителей, что приведет к увеличению динамического и частотного диапазонов фильтра. Сущность изобретения состоит в подключении первого усилителя между CR-мостом четвертого порядка и входом второго усилителя, а также в организации обратных связей: выход первого усилителя через шестой резистор, а выход второго усилителя через шестой конденсатор включен в общую точку первого и второго конденсаторов и первого резистора моста; выход первого усилителя через пятый конденсатор подключен ко второму зажиму четвертого резистора моста; точка соединения пятого конденсатора и четвертого резистора через пятый резистор подключена к выходу фильтра, к которому подключены вторые выводы первого, второго и третьего резисторов моста. 4 ил.

Дирекция сайта "Промышленная Сибирь"
Россия, г.Омск, ул.Учебная, 199-Б, к.408А
Сайт открыт 01.11.2000
© 2000-2018 Промышленная Сибирь
Разработка дизайна сайта:
Дизайн-студия "RayStudio"