Промышленная Сибирь Ярмарка Сибири Промышленность СФО Электронные торги НОУ-ХАУ Электронные магазины Карта сайта
 
 

Поиск патентов

Как искать?
Реферат
Название
Публикация
Регистрационный номер
Имя заявителя
Имя изобретателя
Имя патентообладателя

    





Оформить заказ и задать интересующие Вас вопросы Вы можете напрямую c 6-00 до 14-30 по московскому времени кроме сб, вс. whatsapp 8-950-950-9888

На данной странице представлена ознакомительная часть выбранного Вами патента

Для получения более подробной информации о патенте (полное описание, формула изобретения и т.д.) Вам необходимо сделать заказ. Нажмите на «Корзину»


КАСКОДНЫЙ ДИФФЕРЕНЦИАЛЬНЫЙ УСИЛИТЕЛЬ С УПРАВЛЯЕМЫМ УСИЛЕНИЕМ

Номер публикации патента: 2389130

Вид документа: C1 
Страна публикации: RU 
Рег. номер заявки: 2008134977/09 
  Сделать заказПолучить полное описание патента

Редакция МПК: 
Основные коды МПК: H03F003/45   H03G003/30    
Аналоги изобретения: US 5126586 А, 30.06.1992. SU 1162018 А, 15.06.1985. WO 00/41298 A1, 13.07.2000. US 2007/0090876 A1, 26.04.2007. 

Имя заявителя: Государственное образовательное учреждение высшего профессионального образования "Южно-Российский государственный университет экономики и сервиса" (ГОУ ВПО "ЮРГУЭС") (RU) 
Изобретатели: Прокопенко Николай Николаевич (RU)
Конев Даниил Николаевич (RU)
Серебряков Александр Игоревич (RU) 
Патентообладатели: Государственное образовательное учреждение высшего профессионального образования "Южно-Российский государственный университет экономики и сервиса" (ГОУ ВПО "ЮРГУЭС") (RU) 

Реферат


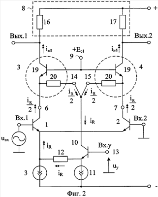
Изобретение относится к области радиотехники и связи и может быть использовано в устройствах автоматической регулировки усиления, фазовых детекторах и модуляторах, в системах фазовой автоподстройки и умножения частоты или в качестве усилителя, коэффициент передачи по напряжению которого зависит от уровня сигнала управления. Управляемый усилитель является базовым узлом современных систем приема и обработки сигналов ВЧ и СВЧ-диапазонов, аналоговой вычислительной и измерительной техники. Технический результат: снижение напряжения питания, расширение функциональных возможностей усилителя, как смесителя. Каскодный дифференциальный усилитель (КДУ) с управляемым усилением содержит первый (1) и второй (2) входные транзисторы, эмиттеры которых связаны с источником опорного тока (3), первый (4) и второй (5) выходные составные транзисторы, основные эмиттеры которых (6, 7) соединены с соответствующими коллекторами первого (1) и второго (2) входных транзисторов, коллекторы - связаны цепью нагрузки (8), а базы - подключены к источнику напряжения смещения (9). В схему введен дополнительный транзистор (10), эмиттер которого соединен с дополнительным источником опорного тока (11) и через дополнительный резистор (12) связан с объединенными эмиттерами первого (1) и второго (2) входных транзисторов, база - соединена с управляющим входом (13) КДУ с управляемым усилением, причем в качестве первого (3) и второго (4) выходных составных транзисторов используются составные транзисторы с основными (6, 7) и дополнительными (14, 15) эмиттерами, которые объединены друг с другом и соединены с коллектором дополнительного транзистора (10). 4 з.п. ф-лы, 13 ил.

Дирекция сайта "Промышленная Сибирь"
Россия, г.Омск, ул.Учебная, 199-Б, к.408А
Сайт открыт 01.11.2000
© 2000-2018 Промышленная Сибирь
Разработка дизайна сайта:
Дизайн-студия "RayStudio"