Промышленная Сибирь Ярмарка Сибири Промышленность СФО Электронные торги НОУ-ХАУ Электронные магазины Карта сайта
 
 

Поиск патентов

Как искать?
Реферат
Название
Публикация
Регистрационный номер
Имя заявителя
Имя изобретателя
Имя патентообладателя

    





Оформить заказ и задать интересующие Вас вопросы Вы можете напрямую c 6-00 до 14-30 по московскому времени кроме сб, вс. whatsapp 8-950-950-9888

На данной странице представлена ознакомительная часть выбранного Вами патента

Для получения более подробной информации о патенте (полное описание, формула изобретения и т.д.) Вам необходимо сделать заказ. Нажмите на «Корзину»


ДВУХКАНАЛЬНЫЙ УПРАВЛЯЕМЫЙ УСИЛИТЕЛЬ ПЕРЕМЕННОГО ТОКА

Номер публикации патента: 2394364

Вид документа: C1 
Страна публикации: RU 
Рег. номер заявки: 2009103751/09 
  Сделать заказПолучить полное описание патента

Редакция МПК: 
Основные коды МПК: H03G003/30   H03F003/45    
Аналоги изобретения: US 4331929 А, 25.05.1982. SU 1748227 A1, 15.07.1990. SU 1658375 A1, 23.06.1991. US 2006/0232334 A1, 19.10.2006. 

Имя заявителя: Государственное образовательное учреждение высшего профессионального образования "Южно-Российский государственный университет экономики и сервиса" (ГОУ ВПО "ЮРГУЭС") (RU) 
Изобретатели: Прокопенко Николай Николаевич (RU)
Конев Даниил Николаевич (RU)
Серебряков Александр Игоревич (RU) 
Патентообладатели: Государственное образовательное учреждение высшего профессионального образования "Южно-Российский государственный университет экономики и сервиса" (ГОУ ВПО "ЮРГУЭС") (RU) 

Реферат


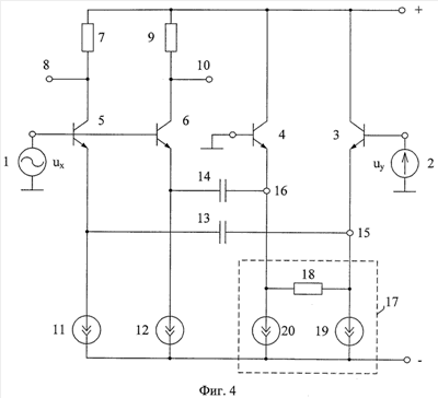
Изобретение относится к области радиотехники и связи и может быть использовано в качестве усилителя переменного тока, коэффициенты передачи по напряжению которого (Kу1, Kу2) зависят от уровня сигнала управления (Uу). Такие устройства применяются в структуре аналоговых микросхем различного функционального назначения, системах автоматической регулировки усиления, аналоговых перемножителях сигналов, активных фильтрах и т.п. Технический результат: сохранение постоянным произведения коэффициентов передачи по обоим каналам усиления. Двухканальный управляемый усилитель переменного тока (фиг.4) содержит источник входного (1) и управляющего (2) сигналов, первый (3) и второй (4) управляющие транзисторы (Т), первый (5) и второй (6) выходные транзисторы Т, базы которых объединены, коллектор Т (5) связан с первой (7) цепью нагрузки и выходом (8) первого канала усиления, коллектор Т (6) связан со второй (9) цепью нагрузки и выходом (10) второго канала усиления, эмиттер Т (5) соединен с первым (11) токостабилизирующим двухполюсником (ТДП), эмиттер Т (6) соединен со вторым (12) ТДП. Источник входного сигнала (1) подключен к объединенным базам Т (5) и Т (6), источник управляющего сигнала (2) включен между базами Т (3) и Т (4), эмиттеры Т (3) и Т (4) связаны соответственно с эмиттером Т (5) и с эмиттером Т (6) через первый (13) и второй (14) разделительные конденсаторы (К), причем эмиттеры Т (3) и Т (4) связаны с соответствующими выходами (15) и (16) дополнительной цепи (17) установления статического режима Т (3) и Т (4). 1 з.п. ф-лы, 8 ил.

Дирекция сайта "Промышленная Сибирь"
Россия, г.Омск, ул.Учебная, 199-Б, к.408А
Сайт открыт 01.11.2000
© 2000-2018 Промышленная Сибирь
Разработка дизайна сайта:
Дизайн-студия "RayStudio"