Промышленная Сибирь Ярмарка Сибири Промышленность СФО Электронные торги НОУ-ХАУ Электронные магазины Карта сайта
 
 

Поиск патентов

Как искать?
Реферат
Название
Публикация
Регистрационный номер
Имя заявителя
Имя изобретателя
Имя патентообладателя

    





Оформить заказ и задать интересующие Вас вопросы Вы можете напрямую c 6-00 до 14-30 по московскому времени кроме сб, вс. whatsapp 8-950-950-9888

На данной странице представлена ознакомительная часть выбранного Вами патента

Для получения более подробной информации о патенте (полное описание, формула изобретения и т.д.) Вам необходимо сделать заказ. Нажмите на «Корзину»


КАСКОДНЫЙ ДИФФЕРЕНЦИАЛЬНЫЙ УСИЛИТЕЛЬ С УПРАВЛЯЕМЫМ УСИЛЕНИЕМ

Номер публикации патента: 2388139

Вид документа: C1 
Страна публикации: RU 
Рег. номер заявки: 2008136257/09 
  Сделать заказПолучить полное описание патента

Редакция МПК: 
Основные коды МПК: H03F003/45   H03G003/30    
Аналоги изобретения: US 5568092 А, 22.10.1996. SU 1164865 А, 30.06.1985. GB 2356307 А, 16.05.2001. FR 2640094, 08.06.1990. 

Имя заявителя: Государственное образовательное учреждение высшего профессионального образования "Южно-Российский государственный университет экономики и сервиса" (ГОУ ВПО "ЮРГУЭС") (RU) 
Изобретатели: Прокопенко Николай Николаевич (RU)
Конев Даниил Николаевич (RU)
Серебряков Александр Игоревич (RU) 
Патентообладатели: Государственное образовательное учреждение высшего профессионального образования "Южно-Российский государственный университет экономики и сервиса" (ГОУ ВПО "ЮРГУЭС") (RU) 

Реферат


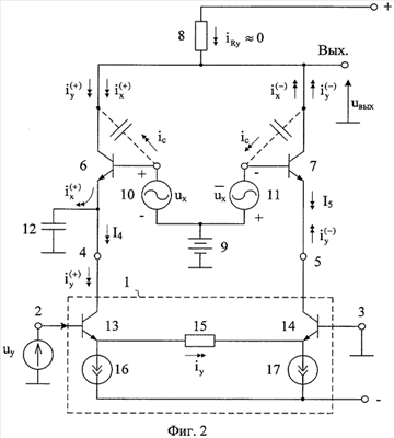
Изобретение относится к области радиотехники и связи и может быть использовано в устройствах автоматической регулировки усиления, фазовых детекторах и модуляторах, в системах фазовой автоподстройки и умножения частоты или в качестве усилителя, коэффициент передачи по напряжению которого зависит от уровня сигнала управления. Управляемый усилитель является базовым узлом современных систем приема и обработки сигналов ВЧ- и СВЧ-диапазонов, аналоговой вычислительной и измерительной техники. Технический результат: уменьшение влияния управляющего сигнала на ток нагрузки. Каскодный дифференциальный усилитель с управляемым усилением содержит входной преобразователь «напряжение-ток» (1), имеющий первый (2) и второй (3) входы и первый (4) и второй (5) токовые входы, соединенные с эмиттерами первого (6) и второго (7) выходных транзисторов, элементы нагрузки (8), связанные с коллекторами первого (6) и второго (7) выходных транзисторов, источник напряжения смещения (9), связанный с базами первого (6) и второго (7) выходных транзисторов через первый (10) и второй (9) противофазные источники усиливаемого сигнала. Между эмиттером первого (6) выходного транзистора и шиной источника питания включен первый дополнительный конденсатор (12), а коллекторы выходных транзисторов (6) и (7) соединены друг с другом и подключены к элементу нагрузки (8). 4 з.п. ф-лы, 16 ил.

Дирекция сайта "Промышленная Сибирь"
Россия, г.Омск, ул.Учебная, 199-Б, к.408А
Сайт открыт 01.11.2000
© 2000-2018 Промышленная Сибирь
Разработка дизайна сайта:
Дизайн-студия "RayStudio"