|
На данной странице представлена ознакомительная часть выбранного Вами патента
Для получения более подробной информации о патенте (полное описание, формула изобретения и т.д.) Вам необходимо сделать заказ. Нажмите на «Корзину»
| ПЕРЕДАЮЩЕЕ УСТРОЙСТВО |  |
Номер публикации патента: 2168859 |  |
| Редакция МПК: | 7 | | Основные коды МПК: | H04B001/04 H03G003/20 | | Аналоги изобретения: | SU 1136306 A, 23.01.1985. SU 1427578 A1, 30.09.1988. SU 1663755 A2, 15.07.1991. US 4563775, 07.01.1986. US 5113525 A, 12.05.1992. |
| Имя заявителя: | Омский научно-исследовательский институт приборостроения | | Изобретатели: | Беляков А.И. | | Патентообладатели: | Омский научно-исследовательский институт приборостроения |
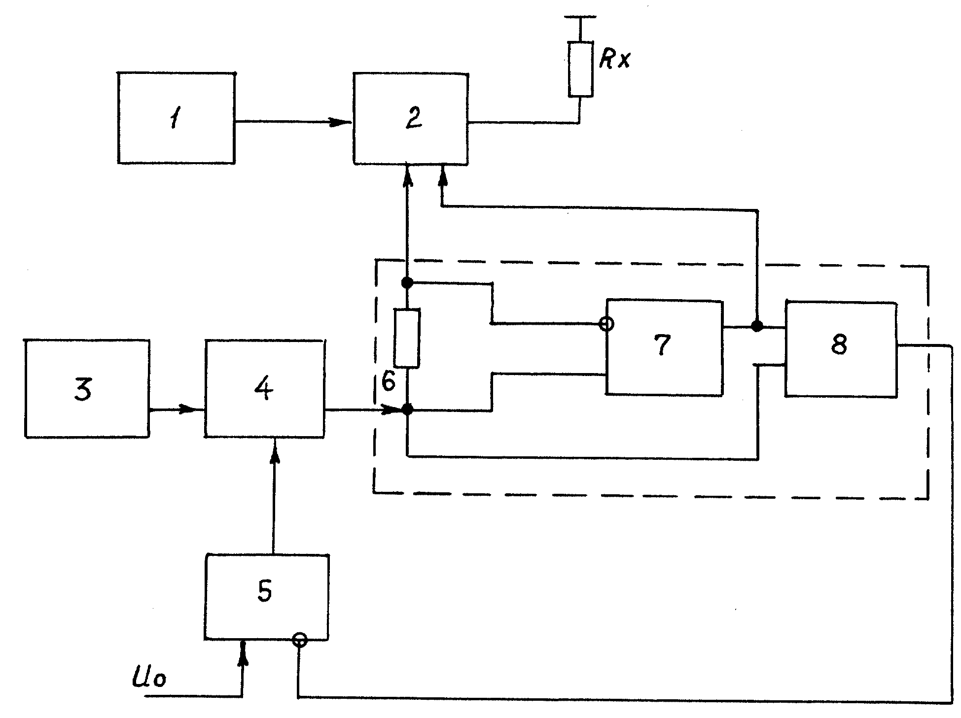
Реферат |  |
Изобретение относится к радиотехнике и может быть использовано в радиосвязи. Передающее устройство содержит возбудитель, выходной каскад со входом смещения транзисторов, источник питания, состоящий из последовательно соединенных источника напряжения и регулирующего каскада, два дифференциальных усилителя, перемножитель и резистор, первый вывод которого соединен с выходом регулирующего каскада и прямым входом второго дифференциального усилителя, а второй вывод резистора соединен с шиной питания выходного каскада и инверсным входом второго дифференциального усилителя, выход первого дифференциального усилителя соединен с управляющим входом регулирующего каскада, выход второго дифференциального усилителя соединен со входом перемножителя и входом смещения транзисторов выходного каскада со входом смещения транзисторов. 1 ил.
|