Промышленная Сибирь Ярмарка Сибири Промышленность СФО Электронные торги НОУ-ХАУ Электронные магазины Карта сайта
 
 

Поиск патентов

Как искать?
Реферат
Название
Публикация
Регистрационный номер
Имя заявителя
Имя изобретателя
Имя патентообладателя

    





Оформить заказ и задать интересующие Вас вопросы Вы можете напрямую c 6-00 до 14-30 по московскому времени кроме сб, вс. whatsapp 8-950-950-9888

На данной странице представлена ознакомительная часть выбранного Вами патента

Для получения более подробной информации о патенте (полное описание, формула изобретения и т.д.) Вам необходимо сделать заказ. Нажмите на «Корзину»


ДИФФЕРЕНЦИАЛЬНЫЙ ОПЕРАЦИОННЫЙ УСИЛИТЕЛЬ С ПАРАФАЗНЫМ ВЫХОДОМ

Номер публикации патента: 2446556

Вид документа: C1 
Страна публикации: RU 
Рег. номер заявки: 2010142519/08 
  Сделать заказПолучить полное описание патента

Редакция МПК: 
Основные коды МПК: H03F003/45   H03F003/34    
Аналоги изобретения: RU 2346382 С1, 10.02.2009. RU 2364020 С1, 10.08.2009. US 7272728 А, 09.06.1981. US 4007427 А, 08.02.1977. US 3959733 А, 25.05.1976. 

Имя заявителя: Государственное образовательное учреждение высшего профессионального образования "Южно-Российский государственный университет экономики и сервиса" (ГОУ ВПО "ЮРГУЭС") (RU) 
Изобретатели: Прокопенко Николай Николаевич (RU)
Серебряков Александр Игоревич (RU)
Будяков Петр Сергеевич (RU) 
Патентообладатели: Государственное образовательное учреждение высшего профессионального образования "Южно-Российский государственный университет экономики и сервиса" (ГОУ ВПО "ЮРГУЭС") (RU) 

Реферат


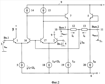
Изобретение относится к области радиотехники и связи и может быть использовано в качестве устройства усиления аналоговых сигналов, в структуре аналоговых микросхем различного функционального назначения (например, решающих усилителях, фильтрах, компараторах т.п.). Технический результат: создание условий, при которых выходное статическое синфазное напряжение дифференциального усилителя (ДУ) будет иметь высокую стабильность и нулевое значение. Дополнительная задача - расширение частотного диапазона за счет исключения эффекта умножения емкостей коллектор-база входных транзисторов (Т) (1) и (2) и его влияния на входной импеданс ДУ в диапазоне высоких частот. ДУ содержит первый (1) и второй (2) входные Т, базы которых соединены со входами (3) и (4) устройства, первый (5) токостабилизирующий двухполюсник, включенный между эмиттером первого (1) входного Т и шиной первого (6) источника питания (ИП), первый (7) и второй (8) выходные Т, коллекторы которых соединены с шиной второго (9) ИП, эмиттеры связаны с соответствующими выходами (10), (11) устройства и связаны друг с другом через два последовательно соединенных первого (12) и второго (13) резисторов цепи обратной связи, первый (14) двухполюсник коллекторной нагрузки, включенный между базой первого (7) выходного Т и шиной второго (9) ИП, второй (15) двухполюсник коллекторной нагрузки, включенный между базой второго (8) выходного Т и шиной второго (9) ИП. В схему введены первый (16) и второй (17) дополнительные Т с объединенными базами, эмиттер первого (16) дополнительного Т соединен с эмиттером первого (1) входного Т, эмиттер второго (17) дополнительного Т соединен с эмиттером второго (2) входного Т и связан с шиной первого (6) ИП через первый (18) дополнительный токостабилизирующий двухполюсник, коллектор первого (16) дополнительного Т связан с базой первого (7) выходного Т, коллектор второго (17) дополнительного Т соединен с базой второго (8) выходного Т, причем эмиттеры первого (7) и второго (8) выходных Т связаны с шиной первого (6) ИП через соответствующие первый (19) и второй (20) вспомогательные двухполюсники, а общий узел последовательно соединенных первого (12) и второго (13) резисторов обратной связи соединен с базами первого (16) и второго (17) дополнительных Т. 1 з.п. ф-лы, 5 ил.

Дирекция сайта "Промышленная Сибирь"
Россия, г.Омск, ул.Учебная, 199-Б, к.408А
Сайт открыт 01.11.2000
© 2000-2018 Промышленная Сибирь
Разработка дизайна сайта:
Дизайн-студия "RayStudio"