Промышленная Сибирь Ярмарка Сибири Промышленность СФО Электронные торги НОУ-ХАУ Электронные магазины Карта сайта
 
 

Поиск патентов

Как искать?
Реферат
Название
Публикация
Регистрационный номер
Имя заявителя
Имя изобретателя
Имя патентообладателя

    





Оформить заказ и задать интересующие Вас вопросы Вы можете напрямую c 6-00 до 14-30 по московскому времени кроме сб, вс. whatsapp 8-950-950-9888

На данной странице представлена ознакомительная часть выбранного Вами патента

Для получения более подробной информации о патенте (полное описание, формула изобретения и т.д.) Вам необходимо сделать заказ. Нажмите на «Корзину»


СПОСОБ ПОЛУЧЕНИЯ АНАЛОГОВОГО ЭЛЕКТРИЧЕСКОГО СИГНАЛА МОДУЛЯ ОРТОГОНАЛЬНОЙ СОСТАВЛЯЮЩЕЙ ВЕКТОРА ОДНОГО ИЗ ДВУХ ОДНОЧАСТОТНЫХ ГАРМОНИЧЕСКИХ ЭЛЕКТРИЧЕСКИХ СИГНАЛОВ

Номер публикации патента: 2408133

Вид документа: C2 
Страна публикации: RU 
Рег. номер заявки: 2009110871/09 
  Сделать заказПолучить полное описание патента

Редакция МПК: 
Основные коды МПК: H03B028/00    
Аналоги изобретения: ШЕРСТЮКОВ С.А., ТИХОМИРОВ Н.М. Экспериментальное исследование квадратурного фазового модулятора на базе радиочастотной интегральной микросхемы векторного модулятора. Теория и техника радиосвязи, выпуск 1, 2009 (подпис. в печать 18.03.2009). ОАО «Концерн «Созвездие», с.67-71. RU 2065661 С1, 20.08.1996. RU 2262797 C2, 20.10.2005. WO 97/18623 A1, 22.05.1997. 

Имя заявителя: Государственное образовательное учреждение высшего профессионального образования "Северо-Кавказский государственный технический университет" (RU) 
Изобретатели: Мамаев Виктор Александрович (RU) 
Патентообладатели: Государственное образовательное учреждение высшего профессионального образования "Северо-Кавказский государственный технический университет" (RU) 

Реферат


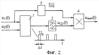
Изобретение относится к области электротехники и может использоваться в устройствах релейной защиты и автоматики. Достигаемый технический результат- повышение достоверности получаемой информации о проекции первого вектора напряжения на ортогональное направление второго вектора напряжения в условиях искажения синусоидальных форм электрических сигналов. Способ характеризуется тем, что перемножают два электрических сигнала, первый из которых получают в результате выделения сигнала второй гармоники периодической последовательности прямоугольных однополярных импульсов постоянной амплитуды, временная длительность которых однозначно и линейно связана с величиной сдвига фаз между гармоническими одночастотными электрическими сигналами, при этом второй сомножитель функционально связан с вектором электрического сигнала, проекция которого на соответствующее направление определяется. 2 ил.

Дирекция сайта "Промышленная Сибирь"
Россия, г.Омск, ул.Учебная, 199-Б, к.408А
Сайт открыт 01.11.2000
© 2000-2018 Промышленная Сибирь
Разработка дизайна сайта:
Дизайн-студия "RayStudio"