Промышленная Сибирь Ярмарка Сибири Промышленность СФО Электронные торги НОУ-ХАУ Электронные магазины Карта сайта
 
 

Поиск патентов

Как искать?
Реферат
Название
Публикация
Регистрационный номер
Имя заявителя
Имя изобретателя
Имя патентообладателя

    





Оформить заказ и задать интересующие Вас вопросы Вы можете напрямую c 6-00 до 14-30 по московскому времени кроме сб, вс. whatsapp 8-950-950-9888

На данной странице представлена ознакомительная часть выбранного Вами патента

Для получения более подробной информации о патенте (полное описание, формула изобретения и т.д.) Вам необходимо сделать заказ. Нажмите на «Корзину»


СПОСОБ РЕГУЛИРОВАНИЯ ЛИНЕЙНОГО ПРИВОДА ИЛИ ЛИНЕЙНОГО КОМПРЕССОРА, А ТАКЖЕ РЕГУЛИРУЕМЫЙ ЛИНЕЙНЫЙ ПРИВОД ИЛИ ЛИНЕЙНЫЙ КОМПРЕССОР

Номер публикации патента: 2419958

Вид документа: C2 
Страна публикации: RU 
Рег. номер заявки: 2008136734/07 
  Сделать заказПолучить полное описание патента

Редакция МПК: 
Основные коды МПК: H02P025/06   H02K033/04   F04B035/04    
Аналоги изобретения: RU 2003110492 А, 10.12.2004. RU 2025035 C1, 15.12.1994. SU 1725332 А2, 07.04.1992. SU 1774821 А1, 09.01.1995. US 5736797 А, 07.04.1998. US 5980211 A, 09.11.1999. DE 2417443 А1, 31.10.1974. JP 10127078 A, 15.05.1998. EP 1067825 А2, 10.01.2001. WO 02080625 A, 10.10.2002. 

Имя заявителя: БСХ БОШ УНД СИМЕНС ХАУСГЕРЕТЕ ГМБХ (DE) 
Изобретатели: РАЙНШКЕ Йоханнес (DE) 
Патентообладатели: БСХ БОШ УНД СИМЕНС ХАУСГЕРЕТЕ ГМБХ (DE) 
Приоритетные данные: 28.02.2006 DE 102006009259.7 

Реферат


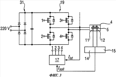
Изобретение относится к области электротехники и может быть использовано для регулирования линейного привода линейного компрессора. Техническим результатом является упрощение и повышение точности регулирования возвратно-поступательного движения ротора или компрессорного поршня и повышение к.п.д. привода. В способе регулирования линейного привода (2), включающего статор (4), возвратно-поступательно перемещающийся внутри него вдоль оси (9) привода ротор (5) и обмотку (6) привода, по которой протекает ток обмотки, в особенности для линейного компрессора (3), включающего поршневой блок (7) с компрессорным поршнем (8), возвратно-поступательно перемещающимся внутри блока вдоль оси (33) поршня и приводимым посредством линейного привода (2), ток обмотки регулируется таким образом, что фактический и заданный токи обмотки существенно равны. Способ реализуется в устройстве (1) и может быть использован в способе охлаждения изделий (25) и/или компрессии жидкотекучего агента (32), использующем устройство (1) или способ регулирования согласно изобретению. Управление возвратно-поступательным движением ротора (5) или компрессорного поршня (8) может эффективно и точно контролироваться простыми средствами, не требующими использования дорогостоящих датчиков. 3 н. и 20 з.п. ф-лы, 9 ил.

Дирекция сайта "Промышленная Сибирь"
Россия, г.Омск, ул.Учебная, 199-Б, к.408А
Сайт открыт 01.11.2000
© 2000-2018 Промышленная Сибирь
Разработка дизайна сайта:
Дизайн-студия "RayStudio"