Промышленная Сибирь Ярмарка Сибири Промышленность СФО Электронные торги НОУ-ХАУ Электронные магазины Карта сайта
 
 

Поиск патентов

Как искать?
Реферат
Название
Публикация
Регистрационный номер
Имя заявителя
Имя изобретателя
Имя патентообладателя

    





Оформить заказ и задать интересующие Вас вопросы Вы можете напрямую c 6-00 до 14-30 по московскому времени кроме сб, вс. whatsapp 8-950-950-9888

На данной странице представлена ознакомительная часть выбранного Вами патента

Для получения более подробной информации о патенте (полное описание, формула изобретения и т.д.) Вам необходимо сделать заказ. Нажмите на «Корзину»


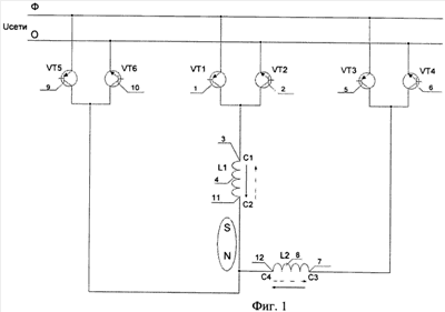
ТРАНЗИСТОРНЫЙ РАЗНОПОЛЯРНЫЙ ЧАСТОТНЫЙ ПРЕОБРАЗОВАТЕЛЬ, РЕГУЛИРУЮЩИЙ СКОРОСТЬ СИНХРОННОГО ШАГОВОГО ДВИГАТЕЛЯ

Номер публикации патента: 2467466

Вид документа: C1 
Страна публикации: RU 
Рег. номер заявки: 2011127796/07 
  Сделать заказПолучить полное описание патента

Редакция МПК: 
Основные коды МПК: H02P021/12    
Аналоги изобретения: RU 2403669 C1, 27.09.1988. RU 2420857 C1, 10.06.2011. US 4774448 A1, 27.09.1988. 

Имя заявителя: Государственное образовательное учреждение высшего профессионального образования "Алтайский государственный технический университет им. И.И. Ползунова" (АлтГТУ) (RU) 
Изобретатели: Стальная Мая Ивановна (RU)
Астафьева Анна Анатольевна (RU)
Орлов Олег Александрович (RU) 
Патентообладатели: Государственное образовательное учреждение высшего профессионального образования "Алтайский государственный технический университет им. И.И. Ползунова" (АлтГТУ) (RU) 

Реферат


Изобретение относится к области электротехники. Транзисторный разнополярный частотный преобразователь, регулирующий скорость синхронного шагового двигателя, предназначен для использования в регулируемом электроприводе с синхронным шаговым двигателем, при питании от сети переменного однофазного напряжения. Транзисторы каждого из трех реверсивных транзисторных коммутаторов, подключенных к источнику питания, соединены параллельно. В качестве источника питания реверсивных транзисторных коммутаторов использован источник переменного однофазного напряжения. Эмиттеры первых транзисторов каждого реверсивного транзисторного коммутатора подключены к фазе питающей сети. Эмиттеры вторых транзисторов каждого реверсивного транзисторного коммутатора подключены к нулю питающей сети. Коллекторы транзисторов первого реверсивного транзисторного коммутатора объединены и подключены к первому выходу первой обмотки управления. Коллекторы транзисторов второго реверсивного транзисторного коммутатора объединены и подключены к первому выходу второй обмотки управления. Вторые выходы первой и второй обмоток управления объединены. Коллекторы транзисторов третьего реверсивного транзисторного коммутатора также объединены и подключены к объединенным вторым выходам первой и второй обмоток управления. Технический результат - повышение надежности. 6 ил.

Дирекция сайта "Промышленная Сибирь"
Россия, г.Омск, ул.Учебная, 199-Б, к.408А
Сайт открыт 01.11.2000
© 2000-2018 Промышленная Сибирь
Разработка дизайна сайта:
Дизайн-студия "RayStudio"