Промышленная Сибирь Ярмарка Сибири Промышленность СФО Электронные торги НОУ-ХАУ Электронные магазины Карта сайта
 
 

Поиск патентов

Как искать?
Реферат
Название
Публикация
Регистрационный номер
Имя заявителя
Имя изобретателя
Имя патентообладателя

    





Оформить заказ и задать интересующие Вас вопросы Вы можете напрямую c 6-00 до 14-30 по московскому времени кроме сб, вс. whatsapp 8-950-950-9888

На данной странице представлена ознакомительная часть выбранного Вами патента

Для получения более подробной информации о патенте (полное описание, формула изобретения и т.д.) Вам необходимо сделать заказ. Нажмите на «Корзину»


ЭЛЕКТРИЧЕСКИЙ ПРИВОД С ИНДУКТОРНЫМ ДВИГАТЕЛЕМ

Номер публикации патента: 2400920

Вид документа: C1 
Страна публикации: RU 
Рег. номер заявки: 2009127968/07 
  Сделать заказПолучить полное описание патента

Редакция МПК: 
Основные коды МПК: H02P008/14    
Аналоги изобретения: RU 2182743 C1, 20.05.2002. RU 2118039 С1, 20.08.1998. US 4707650 A, 17.11.1987. US 4616165 A, 07.10.1986. 

Имя заявителя: Малафеев Сергей Иванович (RU),
Салов Семен Александрович (RU) 
Изобретатели: Малафеев Сергей Иванович (RU)
Салов Семен Александрович (RU) 
Патентообладатели: Малафеев Сергей Иванович (RU)
Салов Семен Александрович (RU) 

Реферат


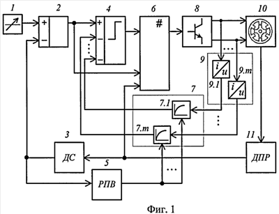
Использование: в области электротехники. Технический результат заключается в повышении качества регулирования скорости, снижении пульсации момента, вибрации и излучения звуковых волн при работе. Электропривод с индукторным двигателем содержит задатчик скорости (1), регулятор скорости (2), датчик скорости (3), релейный регулятор (4), регулятор постоянных времени апериодического фильтра (5), контроллер (6), m-канальный апериодический фильтр (7), силовой транзисторный коммутатор (8), m датчиков фазных токов (9), m-фазную индукторную электрическую машину (10), датчик положения ротора (11). 4 ил.

Дирекция сайта "Промышленная Сибирь"
Россия, г.Омск, ул.Учебная, 199-Б, к.408А
Сайт открыт 01.11.2000
© 2000-2018 Промышленная Сибирь
Разработка дизайна сайта:
Дизайн-студия "RayStudio"