Промышленная Сибирь Ярмарка Сибири Промышленность СФО Электронные торги НОУ-ХАУ Электронные магазины Карта сайта
 
 

Поиск патентов

Как искать?
Реферат
Название
Публикация
Регистрационный номер
Имя заявителя
Имя изобретателя
Имя патентообладателя

    





Оформить заказ и задать интересующие Вас вопросы Вы можете напрямую c 6-00 до 14-30 по московскому времени кроме сб, вс. whatsapp 8-950-950-9888

На данной странице представлена ознакомительная часть выбранного Вами патента

Для получения более подробной информации о патенте (полное описание, формула изобретения и т.д.) Вам необходимо сделать заказ. Нажмите на «Корзину»


ВЫПРЯМИТЕЛЬНАЯ УСТАНОВКА

Номер публикации патента: 2419949

Вид документа: C1 
Страна публикации: RU 
Рег. номер заявки: 2010119410/07 
  Сделать заказПолучить полное описание патента

Редакция МПК: 
Основные коды МПК: H02M007/06    
Аналоги изобретения: RU 2386203 C1, 10.04.2010. RU 2007828 C1, 30.04.1963. US 3088066 A, 30.04.1963. 

Имя заявителя: Государственное образовательное учреждение высшего профессионального образования "Южно-Российский государственный университет экономики и сервиса" (ГОУ ВПО "ЮРГУЭС") (RU) 
Изобретатели: Богданов Валентин Иванович (RU)
Богданов Владимир Валентинович (RU)
Шестаков Геннадий Валерьевич (RU) 
Патентообладатели: Государственное образовательное учреждение высшего профессионального образования "Южно-Российский государственный университет экономики и сервиса" (ГОУ ВПО "ЮРГУЭС") (RU) 

Реферат


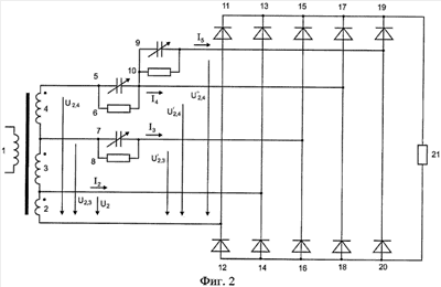
Использование: изобретение относится к электротехнике и может найти применение в блоках питания электромагнитных устройств автоматики, заряда химических источников тока, электролиза и, возможно, в сварочных агрегатах. Выпрямительная установка содержит однофазный силовой трансформатор с основной и двумя дополнительными частями вторичной обмотки, включенными последовательно и согласно, а также три комплекта конденсаторов с подключенными параллельно каждому разрядных резистора. Рабочий комплект вентилей в виде однофазного моста подключен к основной части вторичной обмотки трансформатора. Общая точка первого вольтодобавочного комплекта вентилей соединена через конденсатор с переменной емкостью и разрядным резистором с общей точкой соединения двух дополнительных вторичных обмоток. Общая точка второго вольтодобавочного комплекта вентилей соединена через второй конденсатор с переменной емкостью и разрядным резистором с выводным концом вторичных обмоток. Общая точка третьего вольтодобавочного комплекта вентилей соединена через третий конденсатор с переменной емкостью и разрядным резистором с выходом второго конденсатора с переменной емкостью. Выпрямительная установка имеет выводы рабочего и трех вольтодобавочных комплектов вентилей для подключения к нагрузке. Технический результат: расширение возможности выпрямительной установки, уменьшение коэффициента пульсаций выпрямленного электрического тока, увеличение коэффициента мощности электрического тока Cos , при этом уменьшается значение полного тока первичной обмотки и полной мощности электрического тока силового трансформатора. 3 ил.

Дирекция сайта "Промышленная Сибирь"
Россия, г.Омск, ул.Учебная, 199-Б, к.408А
Сайт открыт 01.11.2000
© 2000-2018 Промышленная Сибирь
Разработка дизайна сайта:
Дизайн-студия "RayStudio"