Промышленная Сибирь Ярмарка Сибири Промышленность СФО Электронные торги НОУ-ХАУ Электронные магазины Карта сайта
 
 

Поиск патентов

Как искать?
Реферат
Название
Публикация
Регистрационный номер
Имя заявителя
Имя изобретателя
Имя патентообладателя

    





Оформить заказ и задать интересующие Вас вопросы Вы можете напрямую c 6-00 до 14-30 по московскому времени кроме сб, вс. whatsapp 8-950-950-9888

На данной странице представлена ознакомительная часть выбранного Вами патента

Для получения более подробной информации о патенте (полное описание, формула изобретения и т.д.) Вам необходимо сделать заказ. Нажмите на «Корзину»


МОСТОВОЙ ИНВЕРТОР С ПРЕДОТВРАЩЕНИЕМ ОДНОСТОРОННЕГО НАСЫЩЕНИЯ ВЫХОДНОГО ТРАНСФОРМАТОРА

Номер публикации патента: 2377712

Вид документа: C1 
Страна публикации: RU 
Рег. номер заявки: 2008118901/09 
  Сделать заказПолучить полное описание патента

Редакция МПК: 
Основные коды МПК: H02M007/5387   H02H007/122   H02H007/06    
Аналоги изобретения: RU 2282934 C1, 27.08.2006. RU 2280313 A1, 20.07.2006. RU 2273087 C1, 27.03.2006. SU 1436227 A1, 07.11.1988. GB 2051432 A, 14.01.1981. US 5317497 A, 21.05.1994. FR 2707055 A1, 30.12.1994. JP 5219754 A, 27.08.1993. EP 0187282 B1, 17.03.1993. WO 0143267 A1, 14.06.2001. 

Имя заявителя: Общество с ограниченной ответственностью "АТС-КОНВЕРС" (RU) 
Изобретатели: Иванов Юрий Евгеньевич (RU)
Грунин Сергей Федорович (RU) 
Патентообладатели: Общество с ограниченной ответственностью "АТС-КОНВЕРС" (RU) 

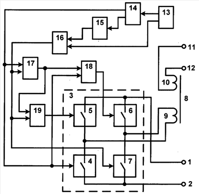
Реферат


Изобретение относится к области электротехники и может быть использовано в преобразователях постоянного напряжения в переменное. Техническим результатом является улучшение массогабаритных показателей инвертора и уменьшение количества мощных силовых полупроводниковых ключей за счет исключения отдельного ключа короткого замыкания обмотки трансформатора в паузах между формируемыми полупериодами. Мостовой инвертор - преобразователь постоянного напряжения в переменное с мостовым коммутатором, с защитой трансформатора от одностороннего насыщения содержит средство формирования напряжения первого полупериода с заданной величиной напряжения первого полупериода, средство вычисления среднего значения напряжения первого полупериода и запоминания результата, средство формирования второго полупериода выходного напряжения со средним значением напряжения, равным запомненному среднему значению напряжения первого полупериода, средство измерения и запоминания среднего значения напряжения первого полупериода, ключ короткого замыкания первичной обмотки трансформатора в паузах между формируемыми импульсами первого и второго полупериодов, который образован ключами с двусторонней проводимостью в смежных плечах мостового коммутатора, тактовый генератор прямоугольных импульсов с периодом, равным заданному периоду выходного напряжения мостового инвертора, цепи, передающие сигналы управления на управляющие входы ключей мостового коммутатора. Соединение перечисленных элементов осуществлено так, как указано в тексте описания и формуле изобретения. 1 ил.

Дирекция сайта "Промышленная Сибирь"
Россия, г.Омск, ул.Учебная, 199-Б, к.408А
Сайт открыт 01.11.2000
© 2000-2018 Промышленная Сибирь
Разработка дизайна сайта:
Дизайн-студия "RayStudio"