Промышленная Сибирь Ярмарка Сибири Промышленность СФО Электронные торги НОУ-ХАУ Электронные магазины Карта сайта
 
 

Поиск патентов

Как искать?
Реферат
Название
Публикация
Регистрационный номер
Имя заявителя
Имя изобретателя
Имя патентообладателя

    





Оформить заказ и задать интересующие Вас вопросы Вы можете напрямую c 6-00 до 14-30 по московскому времени кроме сб, вс. whatsapp 8-950-950-9888

На данной странице представлена ознакомительная часть выбранного Вами патента

Для получения более подробной информации о патенте (полное описание, формула изобретения и т.д.) Вам необходимо сделать заказ. Нажмите на «Корзину»


ЗАВИСИМЫЙ МНОГОЗОННЫЙ ИНВЕРТОР ОДНОФАЗНОГО ПЕРЕМЕННОГО ТОКА

Номер публикации патента: 2418354

Вид документа: C1 
Страна публикации: RU 
Рег. номер заявки: 2010113666/07 
  Сделать заказПолучить полное описание патента

Редакция МПК: 
Основные коды МПК: H02M005/12    
Аналоги изобретения: RU 2168839 C1, 10.06.2001. RU 2377632 C2, 27.12.2009. JP 2237473 A, 20.09.2009. 

Имя заявителя: Государственное образовательное учреждение высшего профессионального образования "Дальневосточный государственный университет путей сообщения" (ДВГУПС) (RU) 
Изобретатели: Власьевский Станислав Васильевич (RU)
Буняева Екатерина Виктория (RU)
Скорик Виталий Геннадьевич (RU)
Фокин Дмитрий Сергеевич (RU) 
Патентообладатели: Государственное образовательное учреждение высшего профессионального образования "Дальневосточный государственный университет путей сообщения" (ДВГУПС) (RU) 

Реферат


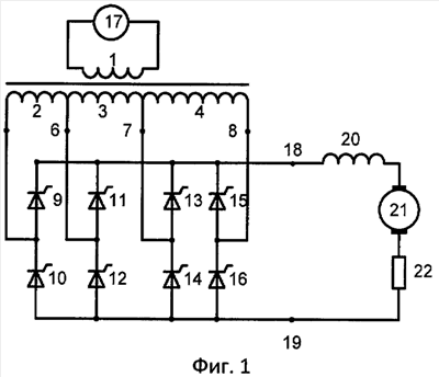
Зависимый многозонный инвертор однофазного переменного тока относится к электротехнике, в частности к преобразовательной технике, и может быть использован в качестве зависимого, т.е. ведомого сетью, инвертора на электроподвижном составе, получающем питание от контактной сети однофазного переменного тока. Технический результат заключается в повышении коэффициента мощности в номинальном режиме на 2, 3, 4-й зонах регулирования за счет уменьшения угла запаса , обусловленного уменьшением угла коммутации большого контура , при сохранении регулирования напряжения на этих зонах в широком диапазоне, а также на первой зоне за счет уменьшения угла запаса , обусловленного уменьшением угла коммутации . Зависимый многозонный инвертор однофазного переменного тока содержит трансформатор, имеющий первичную обмотку, подключенную к источнику питающего напряжения, вторичную обмотку, выполненную в виде трех последовательно соединенных секций с выводами от каждой из них, и четырех цепочек, каждая из которых включает пару последовательно соединенных управляемых вентилей, параллельно подключенных между собой катодной и анодной шинами инвертора, при этом крайние точки цепочек присоединены этими шинами к последовательно соединенным сглаживающему реактору, генератору и балластному резистору, а средние точки подключены к соответствующим выводам секций вторичной обмотки трансформатора. Для достижения технического результата в инвертор дополнительно введен неуправляемый вентиль - диод, который присоединен катодом к анодной, а анодом к катодной шинам инвертора. Использование изобретения позволяет повысить коэффициент мощности в номинальном режиме на всех зонах регулирования с 0,7 до 0,84. Кроме того, увеличивается среднее значение выпрямленного напряжения инвертора за каждый полупериод на 1, 2, 3, 4 зонах регулирования и тем самым повышается поток электрической энергии генератора в сеть на 15%. 6 ил.

Дирекция сайта "Промышленная Сибирь"
Россия, г.Омск, ул.Учебная, 199-Б, к.408А
Сайт открыт 01.11.2000
© 2000-2018 Промышленная Сибирь
Разработка дизайна сайта:
Дизайн-студия "RayStudio"