Промышленная Сибирь Ярмарка Сибири Промышленность СФО Электронные торги НОУ-ХАУ Электронные магазины Карта сайта
 
 

Поиск патентов

Как искать?
Реферат
Название
Публикация
Регистрационный номер
Имя заявителя
Имя изобретателя
Имя патентообладателя

    





Оформить заказ и задать интересующие Вас вопросы Вы можете напрямую c 6-00 до 14-30 по московскому времени кроме сб, вс. whatsapp 8-950-950-9888

На данной странице представлена ознакомительная часть выбранного Вами патента

Для получения более подробной информации о патенте (полное описание, формула изобретения и т.д.) Вам необходимо сделать заказ. Нажмите на «Корзину»


СПОСОБ И УСТРОЙСТВО БЕСФИЛЬТРОВОГО ПРЕОБРАЗОВАНИЯ ЧАСТОТЫ

Номер публикации патента: 2414042

Вид документа: C2 
Страна публикации: RU 
Рег. номер заявки: 2008130289/09 
  Сделать заказПолучить полное описание патента

Редакция МПК: 
Основные коды МПК: H02M005/16    
Аналоги изобретения: RU 2182399, C1, 10.05.2002. RU 2176128, C2, 20.11.2001. RU 2223594, C1, 10.02.2004. RU 2062547, C1, 20.06.1996. US 4232191, A, 04.11.1980. US 4688263, A, 18.08.2001. US 5752169, A, 12.05.1998. EP 1113573, A1, 04.07.2001. DE 3913593, A1, 09.11.1989. 

Имя заявителя: Закрытое акционерное общество "Конструкторское бюро навигационных систем" (ЗАО "КБ НАВИС") (RU) 
Изобретатели: Дубинко Юрий Сергеевич (RU) 
Патентообладатели: Закрытое акционерное общество "Конструкторское бюро навигационных систем" (ЗАО "КБ НАВИС") (RU) 

Реферат


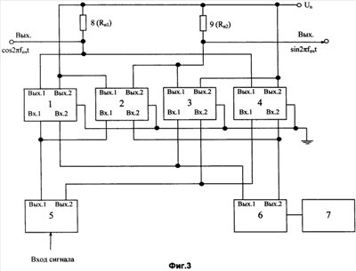
Изобретение относится к области радиотехники и предназначено для использования в приемных устройствах и совмещенных приемниках спутниковой навигации с использованием прямого преобразования. Технический результат - повышение помехоустойчивости и упрощение частотного разделения сигналов ГЛОНАСС. Для этого с помощью 4-х одинаковых балансных смесителей (двойных балансных) параллельно формируют 4 произведения квадратур входного и гетеродинного сигналов: (cosвx·cosгeт); (sinвх·sinгeт); (sinвх·cosгет); (cosвx·sinгeт). Предварительно расщепляют на квадратурные составляющие и входной сигнал и сигнал гетеродина - косинусную (опережающую) и синусную (запаздывающую), каждую составляющую входного сигнала перемножают с каждой составляющей гетеродина и в соответствии с формулами тригонометрии для косинуса и синуса суммы и разности двух углов, формируют косинусную и синусную квадратурные составляющие сигнала промежуточной частоты. Сущность устройства заключается в том, что в него введены фазорасщепители входного сигнала и сигнала гетеродина на квадратурные проекции, косинусную и синусную, в качестве смесителя используют четыре перемножителя - балансных смесителя, которые нагружают на первый (RH1) и второй (RH2) нагрузочные резисторы и связи между ними. 2 н.п. ф-лы, 3 ил., 1 табл.

Дирекция сайта "Промышленная Сибирь"
Россия, г.Омск, ул.Учебная, 199-Б, к.408А
Сайт открыт 01.11.2000
© 2000-2018 Промышленная Сибирь
Разработка дизайна сайта:
Дизайн-студия "RayStudio"