Промышленная Сибирь Ярмарка Сибири Промышленность СФО Электронные торги НОУ-ХАУ Электронные магазины Карта сайта
 
 

Поиск патентов

Как искать?
Реферат
Название
Публикация
Регистрационный номер
Имя заявителя
Имя изобретателя
Имя патентообладателя

    





Оформить заказ и задать интересующие Вас вопросы Вы можете напрямую c 6-00 до 14-30 по московскому времени кроме сб, вс. whatsapp 8-950-950-9888

На данной странице представлена ознакомительная часть выбранного Вами патента

Для получения более подробной информации о патенте (полное описание, формула изобретения и т.д.) Вам необходимо сделать заказ. Нажмите на «Корзину»


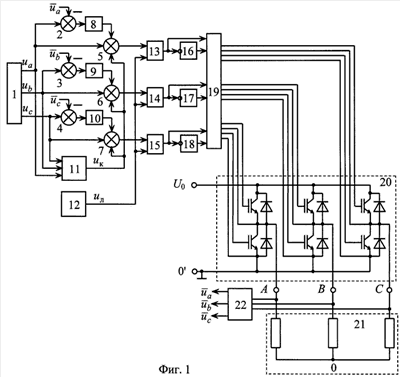
ТРЕХФАЗНЫЙ ПРЕОБРАЗОВАТЕЛЬ ЧАСТОТЫ

Номер публикации патента: 2400914

Вид документа: C1 
Страна публикации: RU 
Рег. номер заявки: 2009125212/09 
  Сделать заказПолучить полное описание патента

Редакция МПК: 
Основные коды МПК: H02M005/16   H02P027/00    
Аналоги изобретения: Keliang Zhou and Danwei Wang, Relationship Between Space-Vector Modulation and Thee-Phase Carder-Based PWM: A COMPEHENSIVE Analysis IEEE transactions on industrial endustrial electronics, Vol.49, No.1, February 2002, page 186-196. RU 2101849 C1, 10.01.1998. RU 2295824 C1, 20.03.2007. RU 2157043 C1, 27.09.2000. EP 0019138 A1, 26.11.1980. 

Имя заявителя: Государственное образовательное учреждение высшего профессионального образования Казанский государственный технический университет им. А.Н. Туполева (RU) 
Изобретатели: Афанасьев Анатолий Юрьевич (RU)
СОБХ Мазен Ибрагим (SY) 
Патентообладатели: Государственное образовательное учреждение высшего профессионального образования Казанский государственный технический университет им. А.Н. Туполева (RU) 

Реферат


Изобретение относится к электротехнике. Технический результат, на достижение которого направлено заявляемое изобретение, заключается в минимизации мощности потерь в трехфазной нагрузке, связанной с ШИМ, при сохранении максимальной линейной зоны выходного напряжения. Схема трехфазного преобразователя частоты содержит источник ua, ub, uс задающих сигналов (1), первую группу сумматоров (2-4), вторую группу сумматоров (5-7), первый-третий усилители (8-10), формирователь сигнала коррекции (11), формирователь линейно изменяющегося сигнала (12), первый-третий компараторы (13-15), первый-третий инверторы (16-18), драйвер (19), блок силовых ключей (20), блок трехфазной нагрузки (21), блок датчиков напряжений (22). Благодаря выполнению формирователя сигнала коррекции (11) с возможностью реализации функции с ограничением величин ua+uk, ub+uk, uc+uk в пределах линейно изменяющегося сигнала трехфазный преобразователь частоты способен работать с лучшими энергетическими показателями, т.е. со снижением мощности потерь в нагрузке из-за ШИМ при уравновешенной системе задающих напряжений и сохранении максимальной линейной зоны выходного напряжения без усложнения трехфазного преобразователя частоты. 5 ил.

Дирекция сайта "Промышленная Сибирь"
Россия, г.Омск, ул.Учебная, 199-Б, к.408А
Сайт открыт 01.11.2000
© 2000-2018 Промышленная Сибирь
Разработка дизайна сайта:
Дизайн-студия "RayStudio"