Промышленная Сибирь Ярмарка Сибири Промышленность СФО Электронные торги НОУ-ХАУ Электронные магазины Карта сайта
 
 

Поиск патентов

Как искать?
Реферат
Название
Публикация
Регистрационный номер
Имя заявителя
Имя изобретателя
Имя патентообладателя

    





Оформить заказ и задать интересующие Вас вопросы Вы можете напрямую c 6-00 до 14-30 по московскому времени кроме сб, вс. whatsapp 8-950-950-9888

На данной странице представлена ознакомительная часть выбранного Вами патента

Для получения более подробной информации о патенте (полное описание, формула изобретения и т.д.) Вам необходимо сделать заказ. Нажмите на «Корзину»


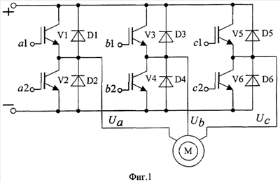
СПОСОБ ФОРМИРОВАНИЯ ШИРОТНО - ИМПУЛЬСНЫХ СИГНАЛОВ УПРАВЛЕНИЯ АВТОНОМНОГО ИНВЕРТОРА

Номер публикации патента: 2389128

Вид документа: C1 
Страна публикации: RU 
Рег. номер заявки: 2008149212/09 
  Сделать заказПолучить полное описание патента

Редакция МПК: 
Основные коды МПК: H02P027/08   H02M005/453   H02M007/5395    
Аналоги изобретения: RU 2326486 C1, 10.06.2008. RU 2025879 C1, 30.12.1994. GB 2412090 A, 14.06.2006. US 2007285044 A1, 13.12.2007. JP 61231889 A, 16.10.1986. WO 2005088822 A1, 22.09.2005. 

Имя заявителя: Государственное образовательное учреждение высшего профессионального образования "Ульяновский государственный технический университет" (RU) 
Изобретатели: Иванов Владимир Михайлович (RU) 
Патентообладатели: Государственное образовательное учреждение высшего профессионального образования "Ульяновский государственный технический университет" (RU) 

Реферат


Изобретение относится к области электротехники и может быть использовано для управления автономными инверторами с широтно-импульсной модуляцией выходных напряжений в частотно-регулируемом асинхронном двигателе. Технический результат заключается в повышении качества выходного напряжения в области верхних частот и коэффициента использования источника питания трехфазного инвертора, расширении диапазона регулирования скорости и снижении потерь в двигателе. В способе широтно-импульсной модуляции, основанном на сравнении одного опорного сигнала и трех модулирующих синусоидальных сигналов с одновременным изменением знака модулирующих сигналов и изменении логического уровня выходных сигналов управления шесть раз за период в точках, соответствующих естественной коммутации выходных напряжений, в качестве опорного сигнала используют сигнал пилообразной формы. При этом в первом диапазоне регулирования скорости двигателя частота опорного сигнала неизменна. Во втором диапазоне регулирования скорости при переходе в режим насыщения модулятора указанную частоту формируют с поддержанием постоянства соотношения частот между опорным и модулирующим сигналами. 4 ил.

Дирекция сайта "Промышленная Сибирь"
Россия, г.Омск, ул.Учебная, 199-Б, к.408А
Сайт открыт 01.11.2000
© 2000-2018 Промышленная Сибирь
Разработка дизайна сайта:
Дизайн-студия "RayStudio"