Промышленная Сибирь Ярмарка Сибири Промышленность СФО Электронные торги НОУ-ХАУ Электронные магазины Карта сайта
 
 

Поиск патентов

Как искать?
Реферат
Название
Публикация
Регистрационный номер
Имя заявителя
Имя изобретателя
Имя патентообладателя

    





Оформить заказ и задать интересующие Вас вопросы Вы можете напрямую c 6-00 до 14-30 по московскому времени кроме сб, вс. whatsapp 8-950-950-9888

На данной странице представлена ознакомительная часть выбранного Вами патента

Для получения более подробной информации о патенте (полное описание, формула изобретения и т.д.) Вам необходимо сделать заказ. Нажмите на «Корзину»


СТАБИЛИЗИРОВАННЫЙ ПРЕОБРАЗОВАТЕЛЬ НАПРЯЖЕНИЯ

Номер публикации патента: 2396686

Вид документа: C2 
Страна публикации: RU 
Рег. номер заявки: 2008126760/09 
  Сделать заказПолучить полное описание патента

Редакция МПК: 
Основные коды МПК: H02M003/338    
Аналоги изобретения: RU 2264685 C1, 20.11.2005. RU 2309520 C1, 27.10.2007. GB 2324210 A, 14.10.1998. 

Имя заявителя: Федеральное государственное унитарное предприятие "Научно-производственная организация "Орион" (ФГУП "НПО "Орион") (RU) 
Изобретатели: Гутер Лев Рафаилович (RU) 
Патентообладатели: Федеральное государственное унитарное предприятие "Научно-производственная организация "Орион" (ФГУП "НПО "Орион") (RU) 

Реферат


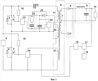
Изобретение относится к преобразовательной технике и может быть использовано в источниках вторичного электропитания. Техническим результатом изобретения является упрощение и удешевление преобразователя напряжения, а также расширение диапазона допустимого изменения тока нагрузки до нулевого значения. Это достигается исключением задающего трансформатора, выполнением силового трансформатора с минимальной емкостной связью первичной и вторичной обмоток, введением дополнительных обмоток (20), (21) для питания формирователей (13), (14), управляющих силовыми транзисторными ключами (1),(2), и введением детектора напряжения (24), который при снижении тока нагрузки ниже установленного предела изменяет параметры времязадающей RC-цепи (22), что приводит к возрастанию периода коммутации преобразователя. Снижение частоты позволяет поддерживать устойчивые автоколебания при холостом ходе и автоматически обеспечить режим «мягкой коммутации» во всем диапазоне изменения тока нагрузки. 2 з.п. ф-лы, 3 ил.

Дирекция сайта "Промышленная Сибирь"
Россия, г.Омск, ул.Учебная, 199-Б, к.408А
Сайт открыт 01.11.2000
© 2000-2018 Промышленная Сибирь
Разработка дизайна сайта:
Дизайн-студия "RayStudio"