|
На данной странице представлена ознакомительная часть выбранного Вами патента
Для получения более подробной информации о патенте (полное описание, формула изобретения и т.д.) Вам необходимо сделать заказ. Нажмите на «Корзину»
| УСТРОЙСТВО ДЛЯ РЕГУЛИРОВАНИЯ НАПРЯЖЕНИЯ |  |
Номер публикации патента: 2181521 |  |
| Редакция МПК: | 7 | | Основные коды МПК: | H02M003/135 | | Аналоги изобретения: | SU 1310976 А, 22.01.1986. RU 2020723 С1, 30.09.1994. RU 2050680 С1, 20.12.1995. FR 2406337 А, 15.06.1979. WO 81/03722 А1, 12.06.1981. |
| Имя заявителя: | Петербургский государственный университет путей сообщения | | Изобретатели: | Мазнев А.С. Шатнев О.И. Марченко К.В. | | Патентообладатели: | Петербургский государственный университет путей сообщения |
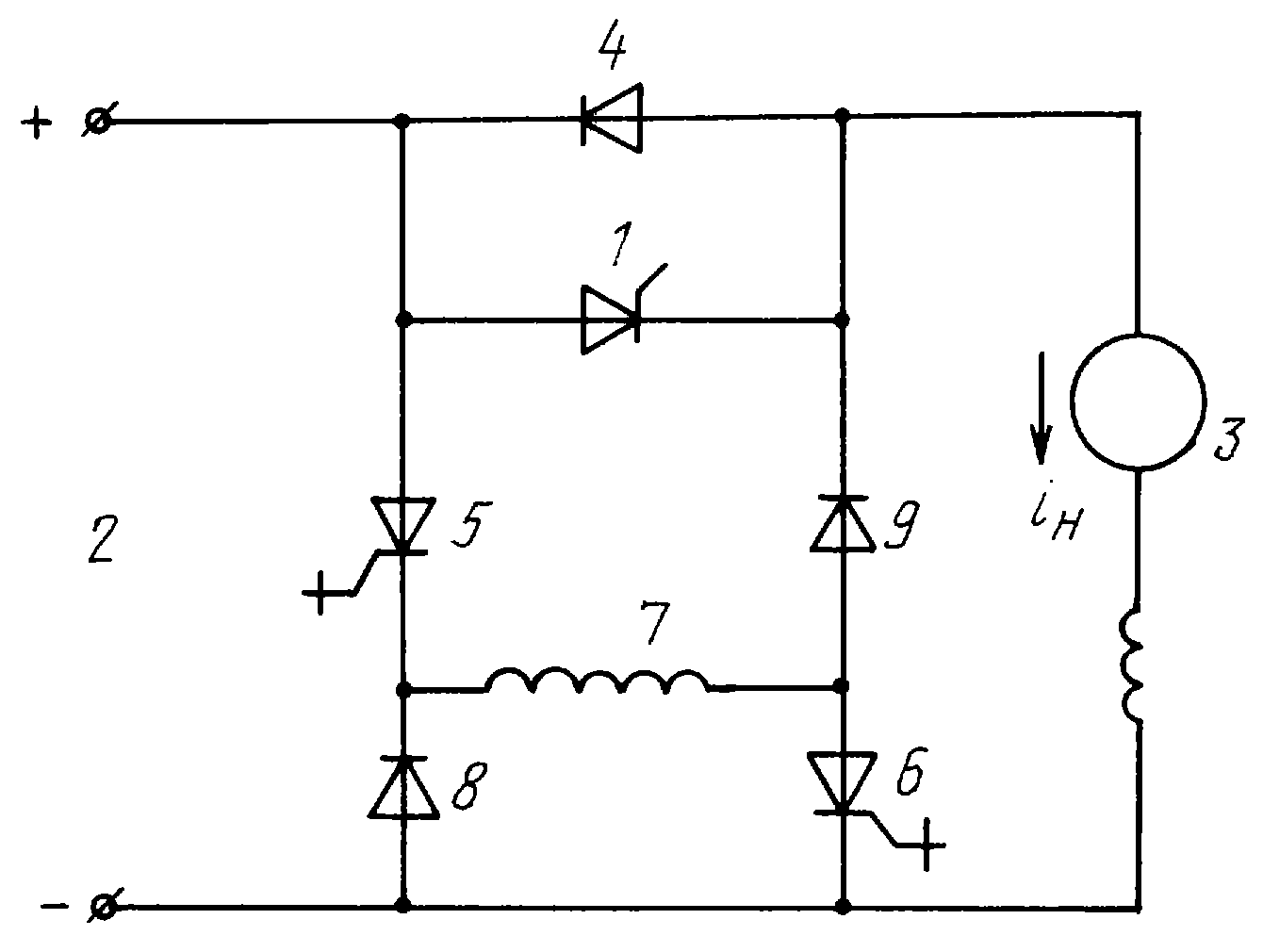
Реферат |  |
Использование: на электроподвижном составе. Технический результат заключается в увеличении КПД путем регулирования коммутационных процессов цепей постоянного тока. Устройство содержит главный тиристор, анодом подключенный к плюсовому зажиму источника питания, катодом - к первому зажиму нагрузки, встречно-параллельно главному тиристору включен обратный диод, а также два двухоперационных тиристора. Первый из них анодом подключен к аноду главного тиристора, другой - катодом к минусовому зажиму источника питания. Между катодом первого и анодом второго указанных тиристоров включен коммутирующий реактор. Дополнительно в устройство включены два диода. Один из них анодом подключен к минусовому зажиму источника питания, а катодом - к катоду первого двухоперационного тиристора. Второй диод катодом подключен к катоду главного тиристора, анодом - к аноду второго двухоперационного тиристора. Второй зажим нагрузки подключен к минусовому зажиму источника питания. 1 ил.
|