Промышленная Сибирь Ярмарка Сибири Промышленность СФО Электронные торги НОУ-ХАУ Электронные магазины Карта сайта
 
 

Поиск патентов

Как искать?
Реферат
Название
Публикация
Регистрационный номер
Имя заявителя
Имя изобретателя
Имя патентообладателя

    





Оформить заказ и задать интересующие Вас вопросы Вы можете напрямую c 6-00 до 14-30 по московскому времени кроме сб, вс. whatsapp 8-950-950-9888

На данной странице представлена ознакомительная часть выбранного Вами патента

Для получения более подробной информации о патенте (полное описание, формула изобретения и т.д.) Вам необходимо сделать заказ. Нажмите на «Корзину»


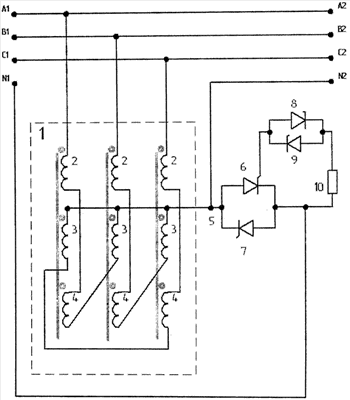
ТРЕХФАЗНОЕ СИММЕТРИРУЮЩЕЕ УСТРОЙСТВО

Номер публикации патента: 2453965

Вид документа: C2 
Страна публикации: RU 
Рег. номер заявки: 2010139219/07 
  Сделать заказПолучить полное описание патента

Редакция МПК: 
Основные коды МПК: H02J003/26    
Аналоги изобретения: RU 2314620 C2, 10.01.2008. RU 2321133 C1, 27.03.2008. SU 1324086 A1, 15.07.1987. GB 1111120 A, 24.04.1968. 

Имя заявителя: Василенко Валерий Дмитриевич (RU) 
Изобретатели: Василенко Валерий Дмитриевич (RU) 
Патентообладатели: Василенко Валерий Дмитриевич (RU) 

Реферат


Использование: в области электротехники. Технический результат - повышение надежности и уменьшение сопротивления токам нулевой последовательности. В трехфазном симметрирующем устройстве трехфазный трехстержневой трансформатор содержит три обмотки, при этом первая ближняя к стержню и крайняя соединены согласно-последовательно между собой и суммарное число витков этих обмоток равно числу витков второй обмотки, с которой они включаются встречно в «зигзаг». Свободные выводы первых обмоток подключаются к входным или выходным зажимам, а свободные выводы вторых обмоток соединяются в одну общую нулевую точку для подключения фазных нагрузок. Между нулевым выводом питающей сети и трехфазного трансформатора включается полупроводниковый ключ переменного тока. 1 з.п. ф-лы, 1 ил.

Дирекция сайта "Промышленная Сибирь"
Россия, г.Омск, ул.Учебная, 199-Б, к.408А
Сайт открыт 01.11.2000
© 2000-2018 Промышленная Сибирь
Разработка дизайна сайта:
Дизайн-студия "RayStudio"