Промышленная Сибирь Ярмарка Сибири Промышленность СФО Электронные торги НОУ-ХАУ Электронные магазины Карта сайта
 
 

Поиск патентов

Как искать?
Реферат
Название
Публикация
Регистрационный номер
Имя заявителя
Имя изобретателя
Имя патентообладателя

    





Оформить заказ и задать интересующие Вас вопросы Вы можете напрямую c 6-00 до 14-30 по московскому времени кроме сб, вс. whatsapp 8-950-950-9888

На данной странице представлена ознакомительная часть выбранного Вами патента

Для получения более подробной информации о патенте (полное описание, формула изобретения и т.д.) Вам необходимо сделать заказ. Нажмите на «Корзину»


СПОСОБ АВТОМАТИЧЕСКОГО СИММЕТРИРОВАНИЯ ТОКОВ МНОГОФАЗНОЙ СИСТЕМЫ ПО ЗАДАННОЙ ФАЗЕ ПРИ КОМБИНИРОВАННОМ ОТБОРЕ МОЩНОСТИ

Номер публикации патента: 2390900

Вид документа: C1 
Страна публикации: RU 
Рег. номер заявки: 2008152684/09 
  Сделать заказПолучить полное описание патента

Редакция МПК: 
Основные коды МПК: H02J003/01    
Аналоги изобретения: SU 562038 A1, 15.06.1977. RU 2229766 C1, 27.05.2004. RU 2253931 C1, 10.06.2005. US 489156 A, 02.01.1990. 

Имя заявителя: Устименко Игорь Владимирович (RU) 
Изобретатели: Устименко Игорь Владимирович (RU) 
Патентообладатели: Устименко Игорь Владимирович (RU) 

Реферат


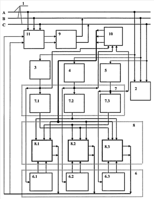
(57) Использование: в области электротехники. Технический результат заключается в повышении быстродействия, экономичности, упрощении реализации и расширении области применения. Способ заключается в генерации с помощью дополнительного источника мощности в каждую из оставшихся (n-1) фаз токов, предварительно сформированных таким образом, чтобы в каждой из симметрируемых (n-1) фаз основной n-фазной сети геометрическая сумма токов - генерируемого в симметрируемую фазу и тока ее нагрузки, была бы равна по модулю току в опорной фазе, а угол, образованный током последней и током симметрируемой фазы, следующей за опорной при прямом чередовании фаз, а также между суммарными токами соседних (n-1) симметрируемых фаз, был бы равен эл. градусов. При этом отбор мощности в упомянутый дополнительный источник мощности, используемый для формирования токов компенсации несимметрии, осуществляют от комбинации минимум двух, наименее нагруженных фаз, которые определяют заранее, по условию уменьшения несимметрии в симметрируемой n фазной системе. 1 ил.

Дирекция сайта "Промышленная Сибирь"
Россия, г.Омск, ул.Учебная, 199-Б, к.408А
Сайт открыт 01.11.2000
© 2000-2018 Промышленная Сибирь
Разработка дизайна сайта:
Дизайн-студия "RayStudio"