Промышленная Сибирь Ярмарка Сибири Промышленность СФО Электронные торги НОУ-ХАУ Электронные магазины Карта сайта
 
 

Поиск патентов

Как искать?
Реферат
Название
Публикация
Регистрационный номер
Имя заявителя
Имя изобретателя
Имя патентообладателя

    





Оформить заказ и задать интересующие Вас вопросы Вы можете напрямую c 6-00 до 14-30 по московскому времени кроме сб, вс. whatsapp 8-950-950-9888

На данной странице представлена ознакомительная часть выбранного Вами патента

Для получения более подробной информации о патенте (полное описание, формула изобретения и т.д.) Вам необходимо сделать заказ. Нажмите на «Корзину»


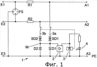
ПРЕДОХРАНИТЕЛЬНОЕ УСТРОЙСТВО

Номер публикации патента: 2472266

Вид документа: C2 
Страна публикации: RU 
Рег. номер заявки: 2010143990/07 
  Сделать заказПолучить полное описание патента

Редакция МПК: 
Основные коды МПК: H02H009/04    
Аналоги изобретения: ЕР 0862255 А1, 02.09.1983. RU 2374738 C1, 27.11.2009. SU 610220 А1, 05.06.1978. SU 1621119 A1, 15.01.1991. ЕР 0441722 А1, 14.08.1991. 

Имя заявителя: ВАЙДМЮЛЛЕР ИНТЕРФЕЙС ГМБХ УНД КО. КГ (DE) 
Изобретатели: КАСПЕР Норберт (DE) 
Патентообладатели: ВАЙДМЮЛЛЕР ИНТЕРФЕЙС ГМБХ УНД КО. КГ (DE) 
Приоритетные данные: 31.03.2008 DE 102008016589.1 

Реферат


Изобретение относится к предохранительному устройству (1), предназначенному для защиты электрической системы. Технический результат - разработка предохранительного устройства, его тестирование и ремонт с минимальными затратами. Для этого заявленное устройство содержит, по меньшей мере, один защитный элемент (SD1, SD2), предназначенный для защиты электрической системы от повреждения и/или разрушения при возникновении аварийной ситуации. Данное предохранительное устройство (1) снабжено устройством (2) распознавания состояния, которое осуществляет мониторинг указанного, по меньшей мере, одного защитного элемента (SD1, SD2), и выполнено с возможностью проведения измерений для выявления факта установления заранее определенного состояния указанного, по меньшей мере, одного защитного элемента (SD1, SD2), а также переключающим устройством (3), которое управляется указанным устройством (2) распознавания состояния, и выполнено с возможностью деактивации указанного, по меньшей мере, одного защитного элемента (SD1, SD2), если устройство (2) распознавания состояния выявит факт установления заранее определенного состояния указанного, по меньшей мере, одного защитного элемента (SD1, SD2). 8 з.п. ф-лы, 2 ил.

Дирекция сайта "Промышленная Сибирь"
Россия, г.Омск, ул.Учебная, 199-Б, к.408А
Сайт открыт 01.11.2000
© 2000-2018 Промышленная Сибирь
Разработка дизайна сайта:
Дизайн-студия "RayStudio"