Промышленная Сибирь Ярмарка Сибири Промышленность СФО Электронные торги НОУ-ХАУ Электронные магазины Карта сайта
 
 

Поиск патентов

Как искать?
Реферат
Название
Публикация
Регистрационный номер
Имя заявителя
Имя изобретателя
Имя патентообладателя

    





Оформить заказ и задать интересующие Вас вопросы Вы можете напрямую c 6-00 до 14-30 по московскому времени кроме сб, вс. whatsapp 8-950-950-9888

На данной странице представлена ознакомительная часть выбранного Вами патента

Для получения более подробной информации о патенте (полное описание, формула изобретения и т.д.) Вам необходимо сделать заказ. Нажмите на «Корзину»


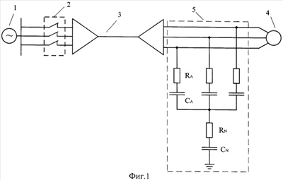
КОМБИНИРОВАННЫЙ ТРЕХФАЗНЫЙ РЕЗИСТИВНО - ЕМКОСТНЫЙ ОГРАНИЧИТЕЛЬ ПЕРЕНАПРЯЖЕНИЙ

Номер публикации патента: 2394326

Вид документа: C1 
Страна публикации: RU 
Рег. номер заявки: 2009114298/09 
  Сделать заказПолучить полное описание патента

Редакция МПК: 
Основные коды МПК: H02H003/20   H02H009/04    
Аналоги изобретения: RU 2305887 C1, 10.09.2007. RU 2342756 C1, 27.12.2008. SU 1098063 A, 15.06.1984. JP 2003070157 A, 07.03.2003. US 4669027 A, 26.05.1987. 

Имя заявителя: ГОСУДАРСТВЕННОЕ ОБРАЗОВАТЕЛЬНОЕ УЧРЕЖДЕНИЕ ВЫСШЕГО ПРОФЕССИОНАЛЬНОГО ОБРАЗОВАНИЯ ЛИПЕЦКИЙ ГОСУДАРСТВЕННЫЙ ТЕХНИЧЕСКИЙ УНИВЕРСИТЕТ (ГОУ ВПО ЛГТУ) (RU) 
Изобретатели: Шпиганович Александр Николаевич (RU)
Захаров Кирилл Дмитриевич (RU)
Зацепина Виолетта Иосифовна (RU)
Пушница Константин Александрович (RU) 
Патентообладатели: ГОСУДАРСТВЕННОЕ ОБРАЗОВАТЕЛЬНОЕ УЧРЕЖДЕНИЕ ВЫСШЕГО ПРОФЕССИОНАЛЬНОГО ОБРАЗОВАНИЯ ЛИПЕЦКИЙ ГОСУДАРСТВЕННЫЙ ТЕХНИЧЕСКИЙ УНИВЕРСИТЕТ (ГОУ ВПО ЛГТУ) (RU) 

Реферат


Изобретение относится к электроэнергетике и может быть использовано в сетях среднего напряжения 3-10 кВ для снижения перенапряжений, возникающих при отключении электродвигательных присоединений вакуумными выключателями. Технический результат заключается в увеличении надежности и расширении области применения. Устройство состоит из последовательных RC-цепочек, включенных по схеме четырехлучевой звезды, три луча которой включены в защищаемые фазы, а один луч соединен с землей. Параметры RC-цепочек рассчитываются по определенным формулам. 2 ил.

Дирекция сайта "Промышленная Сибирь"
Россия, г.Омск, ул.Учебная, 199-Б, к.408А
Сайт открыт 01.11.2000
© 2000-2018 Промышленная Сибирь
Разработка дизайна сайта:
Дизайн-студия "RayStudio"