|
На данной странице представлена ознакомительная часть выбранного Вами патента
Для получения более подробной информации о патенте (полное описание, формула изобретения и т.д.) Вам необходимо сделать заказ. Нажмите на «Корзину»
| УСТРОЙСТВО СЛЕДЯЩЕГО УПРАВЛЕНИЯ ПРОДОЛЬНЫМ ДВИЖЕНИЕМ АВТОМОБИЛЯ |  |
Номер публикации патента: 2161814 |  |
| Редакция МПК: | 7 | | Основные коды МПК: | G05D001/02 B60K031/00 G08G001/16 | | Аналоги изобретения: | DE 4100993 А1, 25.07.1991. RU 2006385 С1, 30.01.1994. FR 2733608 А1, 31.10.1996. EP 0145989 А1, 26.06.1985. |
| Имя заявителя: | Институт автоматики и процессов управления Дальневосточного отделения РАН | | Изобретатели: | Девятисильный А.С. Дорожко В.М. | | Патентообладатели: | Институт автоматики и процессов управления Дальневосточного отделения РАН |
Реферат |  |
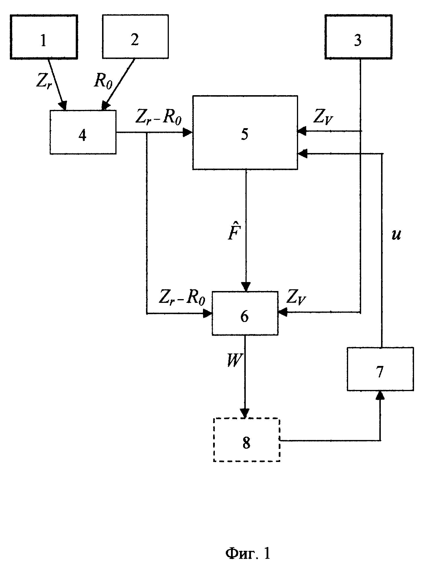
Изобретение предназначено для автоматического управления продольным движением автомобиля в условиях городского насыщенного транспортного потока. Технический результат заключается в снижении ошибок слежения по положению за счет формирования управления автомобилем на основе измеренных относительной скорости и отклонения от опорной дистанции расстояния между автомобилем и впереди едущим транспортным средством, а также на основе оценки величины, равной сумме ускорения впереди едущего транспортного средства и удельных (нормированных к собственной массе автомобиля) сил сопротивления качению и воздуху автомобиля. Устройство следящего управления продольным движением автомобиля содержит измеритель относительной скорости и расстояния между автомобилем и впереди едущим транспортным средством, задатчик опорной дистанции, формирователь разности измеренного расстояния и опорной дистанции, датчик удельной силы, развиваемой двигательно-тормозной системой автомобиля, блок управления и блок оценивания величины, равной сумме ускорения впереди едущего транспортного средства и удельных (нормированных к собственной массе автомобиля) сил сопротивления качению и воздуху автомобиля. 8 ил., 1 табл.
|