RU 2282543 C1, 27.08.2006. RU 2111134 C1, 20.05.1998. US 6147612 A, 14.11.2000. RU 2005122421 A, 27.05.2007.
Имя заявителя:
ЗАКРЫТОЕ АКЦИОНЕРНОЕ ОБЩЕСТВО "НЕЙРОКОМ" (RU)
Изобретатели:
Дементиенко Валерий Васильевич (RU) Карагодин Леонид Владимирович (RU) Марков Андрей Генрихович (RU) Шахнарович Вячеслав Маркович (RU)
Патентообладатели:
ЗАКРЫТОЕ АКЦИОНЕРНОЕ ОБЩЕСТВО "НЕЙРОКОМ" (RU)
Реферат
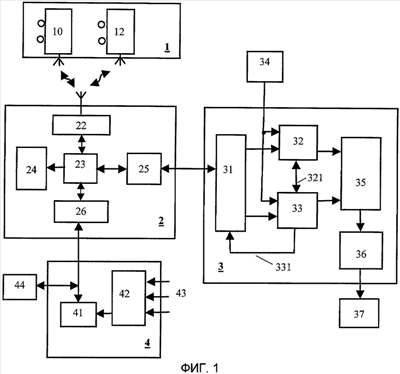
Изобретение относится к диагностике психофизиологического состояния человека в процессе профессиональной деятельности и может быть использовано в системах автоматического контроля состояния машинистов железнодорожных транспортных средств. Устройство содержит комплект телеметрических датчиков, блок связи, блок цифровой обработки сигналов и управления, блок обработки внешних сигналов и связи с компьютерной системой локомотива. Блок цифровой обработки сигналов и управления включает два идентичных блока цифровой обработки информации, выполненные с возможностью взаимного обмена информацией, кнопку подтверждения бодрствования, блок сравнения. Блок обработки внешних сигналов и связи с компьютерной системой локомотива содержит блок первичной обработки информации. Технический результат заключается в повышении надежности системы контроля бодрствования машиниста локомотива. 7 з.п. ф-лы, 6 ил.