|
На данной странице представлена ознакомительная часть выбранного Вами патента
Для получения более подробной информации о патенте (полное описание, формула изобретения и т.д.) Вам необходимо сделать заказ. Нажмите на «Корзину»
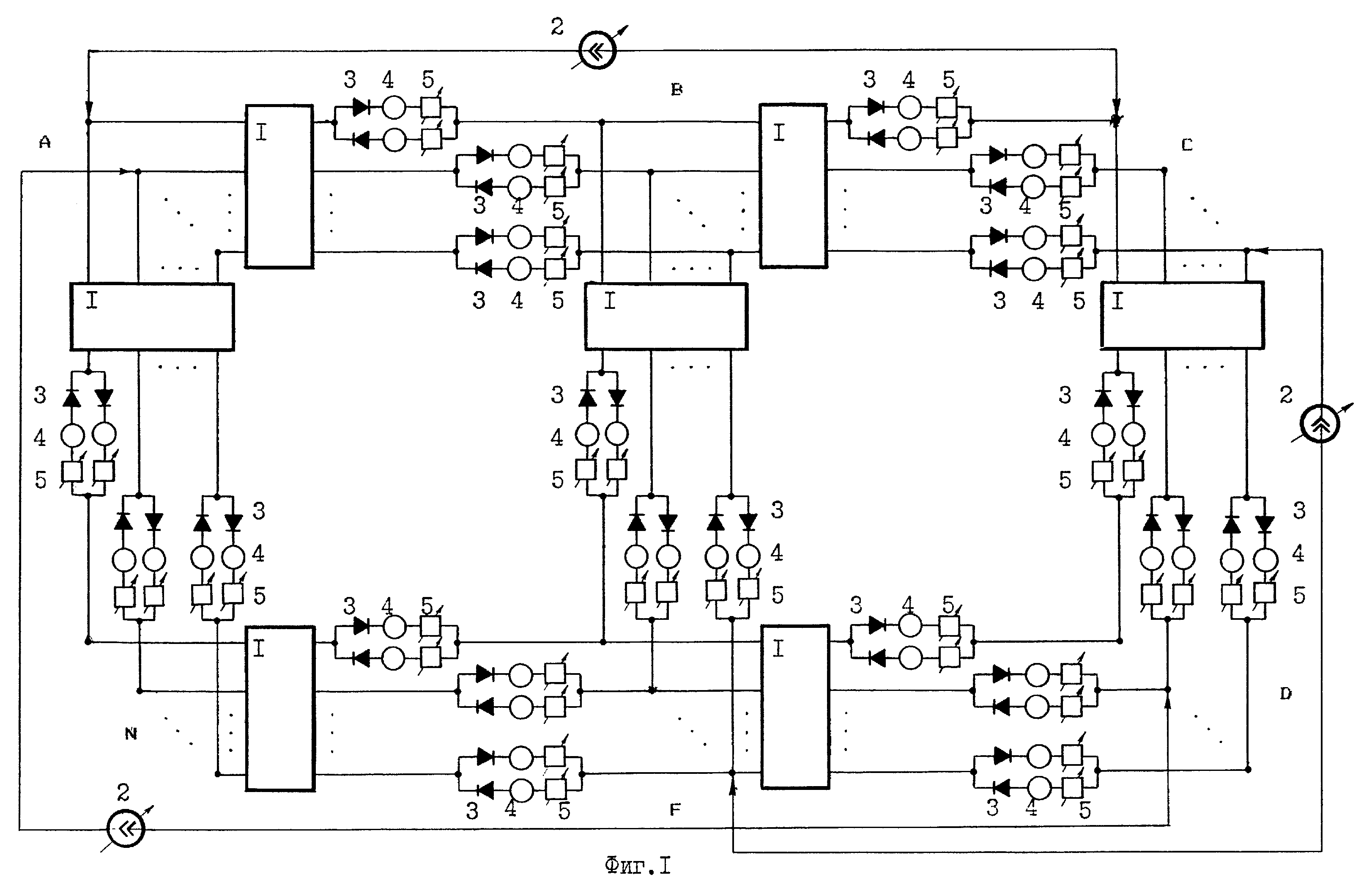
| УСТРОЙСТВО ДЛЯ ОПРЕДЕЛЕНИЯ ОПТИМАЛЬНОГО РАСПРЕДЕЛЕНИЯ ДИСКРЕТНЫХ ПОТОКОВ В МНОГОПОЛЮСНОЙ СЕТИ |  |
Номер публикации патента: 2181907 |  |
| Редакция МПК: | 7 | | Основные коды МПК: | G06G007/122 | | Аналоги изобретения: | SU 548866 А, 28.02.1977. SU 440671 А, 30.08.1974. RU 2010329 C1, 30.03.1994. GB 1487193 А, 28.09.1977. ЕР 0192201 А2, 27.08.1986. |
| Имя заявителя: | 16 Центральный научно-исследовательский испытательный институт Министерства обороны Российской Федерации | | Изобретатели: | Волкодаев Б.В. | | Патентообладатели: | 16 Центральный научно-исследовательский испытательный институт Министерства обороны Российской Федерации |
Реферат |  |
Изобретение относится к вычислительной технике и может быть использовано для распределения дискретных потоков в многополюсной сети. Техническим результатом является расширение функциональных возможностей за счет реализации оптимального распределения. Устройство содержит модели ветвей, соединенные между собой согласно топологии исследуемой сети, и регулируемые источники тока, каждая модель ветви содержит переменные резисторы, регулируемые ограничители тока по максимуму и диоды. 2 ил.
|