|
На данной странице представлена ознакомительная часть выбранного Вами патента
Для получения более подробной информации о патенте (полное описание, формула изобретения и т.д.) Вам необходимо сделать заказ. Нажмите на «Корзину»
| МНОГОКАНАЛЬНЫЙ АДАПТЕР АНАЛОГОВОГО ВВОДА - ВЫВОДА |  |
Номер публикации патента: 2183857 |  |
| Редакция МПК: | 7 | | Основные коды МПК: | G06J003/00 G06F011/00 G06F011/30 H03M001/00 H03M001/02 | | Аналоги изобретения: | SU 1532937 A1, 30.12.1989. SU 1564606 A1, 15.05.1990. RU 2122233 C1, 20.11.1998. RU 2084951 C1, 20.07.1997. SU 1388913 A1, 15.04.1988. SU 1599878 A1, 15.10.1990. US 5006850 A, 09.04.1991. WO 89/04089 A1, 05.05.1989. |
| Имя заявителя: | Общество с ограниченной ответственностью "Авионика-Вист" | | Изобретатели: | Глушкин Е.З. Рубин Г.С. | | Патентообладатели: | Общество с ограниченной ответственностью "Авионика-Вист" |
Реферат |  |
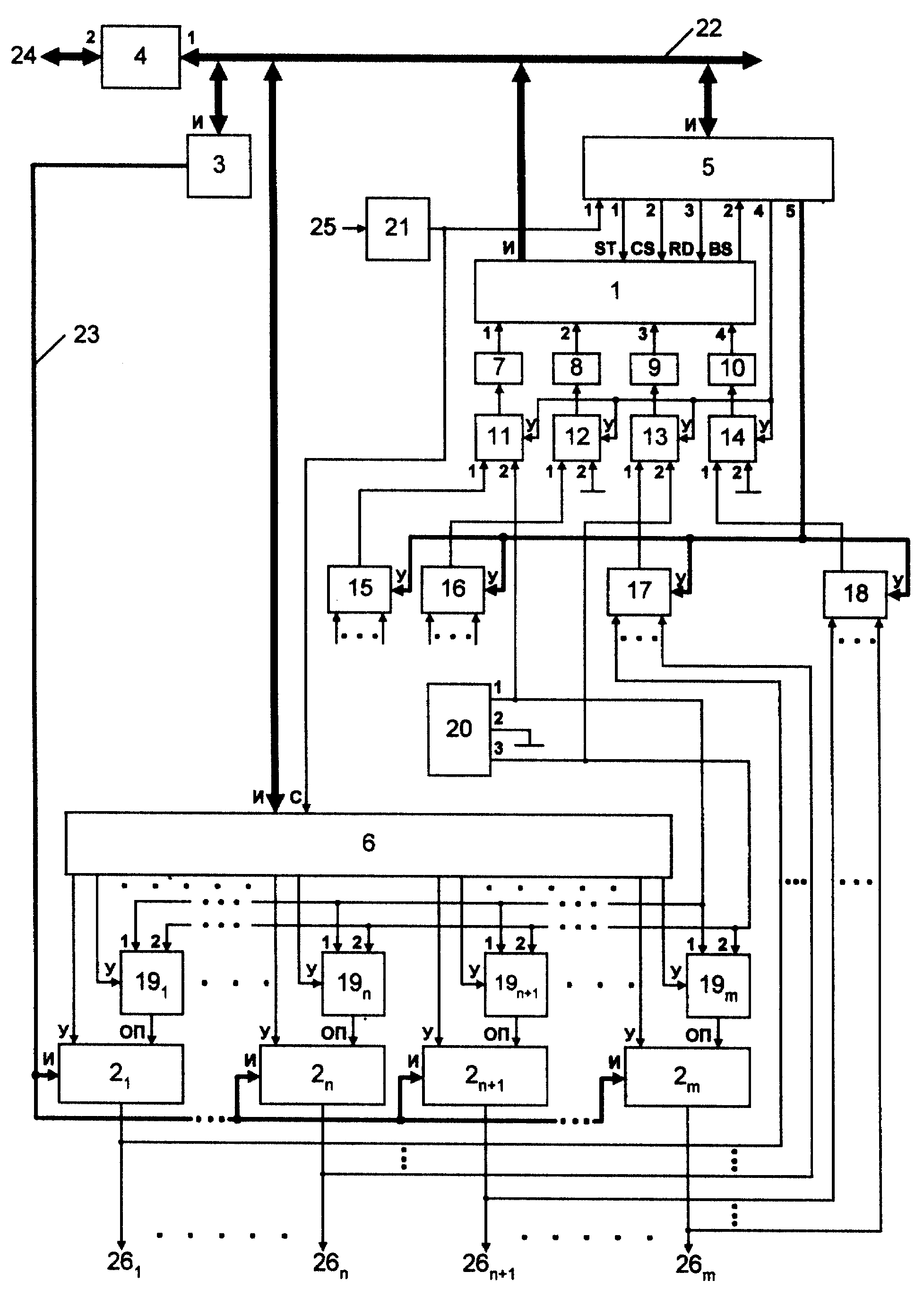
Изобретение относится к автоматике и вычислительной технике и может быть использовано в системах сбора и обработки информации, а также в системах управления для приема сигналов от аналоговых датчиков и выдачи аналоговых сигналов в виде абсолютных значений напряжения, относительных значений напряжения, а также в виде синусно-косинусных сигналов. Техническим результатом изобретения является повышение точности преобразования и отказоустойчивости. Устройство содержит контроллер внешней интерфейсной магистрали информационного обмена, четыре усилителя, аналого-цифровой преобразователь, m цифроаналоговых преобразователей, микропроцессор, устройство управления аналого-цифровым преобразователем, устройство управления цифроаналоговыми преобразователями, четыре ключа включения тестового режима, четыре мультиплексора, m ключей, формирователь опорного напряжения, блок синхронизации, внутреннюю параллельную интерфейсную магистраль информационного обмена, внутреннюю последовательную интерфейсную магистраль информационного обмена. 1 ил.
|