Промышленная Сибирь Ярмарка Сибири Промышленность СФО Электронные торги НОУ-ХАУ Электронные магазины Карта сайта
 
 

Поиск патентов

Как искать?
Реферат
Название
Публикация
Регистрационный номер
Имя заявителя
Имя изобретателя
Имя патентообладателя

    





Оформить заказ и задать интересующие Вас вопросы Вы можете напрямую c 6-00 до 14-30 по московскому времени кроме сб, вс. whatsapp 8-950-950-9888

На данной странице представлена ознакомительная часть выбранного Вами патента

Для получения более подробной информации о патенте (полное описание, формула изобретения и т.д.) Вам необходимо сделать заказ. Нажмите на «Корзину»


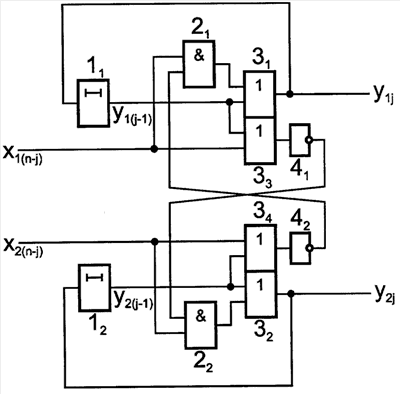
КОМПАРАТОР ДВОИЧНЫХ ЧИСЕЛ

Номер публикации патента: 2393526

Вид документа: C2 
Страна публикации: RU 
Рег. номер заявки: 2008119753/09 
  Сделать заказПолучить полное описание патента

Редакция МПК: 
Основные коды МПК: G06F007/02    
Аналоги изобретения: ПОСПЕЛОВ Д.А. Логические методы анализа и синтеза схем. - М.: Энергия, 1974, с.288, рис.6-20. RU 2300132 C1, 27.05.2007. RU 2298220 C1, 27.04.2007. SU 1756880 A1, 23.08.1992. EP 0319421 A1, 07.06.1989. US 7016931 B2, 21.03.2006. 

Имя заявителя: Закрытое акционерное общество "ИВЛА-ОПТ" (RU) 
Изобретатели: Андреев Дмитрий Васильевич (RU)
Гринберг Исаак Павлович (RU)
Кузнецов Игорь Алексеевич (RU) 
Патентообладатели: Закрытое акционерное общество "ИВЛА-ОПТ" (RU) 

Реферат


Изобретение относится к вычислительной технике и может быть использовано для построения средств автоматики, функциональных узлов систем управления. Техническим результатом является уменьшение аппаратурных затрат. Устройство содержит два элемента задержки, два элемента И, четыре элемента ИЛИ, два элемента НЕ. 1 ил., 1 табл.

Дирекция сайта "Промышленная Сибирь"
Россия, г.Омск, ул.Учебная, 199-Б, к.408А
Сайт открыт 01.11.2000
© 2000-2018 Промышленная Сибирь
Разработка дизайна сайта:
Дизайн-студия "RayStudio"