Промышленная Сибирь Ярмарка Сибири Промышленность СФО Электронные торги НОУ-ХАУ Электронные магазины Карта сайта
 
 

Поиск патентов

Как искать?
Реферат
Название
Публикация
Регистрационный номер
Имя заявителя
Имя изобретателя
Имя патентообладателя

    





Оформить заказ и задать интересующие Вас вопросы Вы можете напрямую c 6-00 до 14-30 по московскому времени кроме сб, вс. whatsapp 8-950-950-9888

На данной странице представлена ознакомительная часть выбранного Вами патента

Для получения более подробной информации о патенте (полное описание, формула изобретения и т.д.) Вам необходимо сделать заказ. Нажмите на «Корзину»


СПОСОБЫ И УСТРОЙСТВА ДЛЯ ТАКТИЛЬНЫХ ЭКРАНОВ, ВОСПРИНИМАЮЩИХ УСИЛИЯ МНОЖЕСТВЕННЫХ КАСАНИЙ

Номер публикации патента: 2474866

Вид документа: C2 
Страна публикации: RU 
Рег. номер заявки: 2011111437/08 
  Сделать заказПолучить полное описание патента

Редакция МПК: 
Основные коды МПК: G06F003/041    
Аналоги изобретения: WO 02/35461 A1, 02.05.2002. WO 2006133018 A3, 14.12.2006. US 6943779 B2, 13.09.2005. SU 1136139 A1, 23.01.1985. 

Имя заявителя: МОТОРОЛА МОБИЛИТИ, ИНК. (US) 
Изобретатели: ДЕЙВЕРМЕН Додж (US)
ОЛЛИ Майкл (US) 
Патентообладатели: МОТОРОЛА МОБИЛИТИ, ИНК. (US) 
Приоритетные данные: 26.08.2008 US 12/198,237 

Реферат


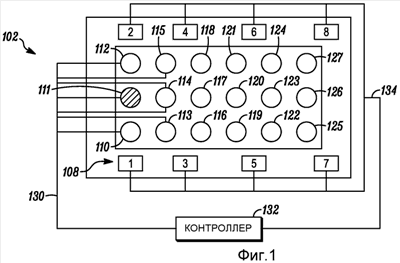
Изобретение относится к пользовательской системе ввода. Технический результат заключается в обеспечении точности ввода. Такой результат достигается за счет того, что система ввода включает в себя слой датчиков касания, сконфигурированный для приема ввода касания, и слой датчиков усилия, уложенный на слой датчиков касания, при этом слой датчиков усилия включает в себя матрицу датчиков усилия, сконфигурированную для приема ввода усилия. Матрица датчиков усилия включает в себя отдельные датчики усилия. Определенные датчики из матрицы датчиков усилия связаны с определенными положениями на тактильном экране для добавления информации, которая может быть использована для определения того, какая клавиша, фактически, была нажата, и позволяют избежать ошибки. Как сигнал касания, так и сигнал усилия применяются для определения достоверности ввода касания пользователем. В одном варианте осуществления, каждый датчик усилия может работать независимо от других. Описываются конкретные варианты осуществления, в которых применяется координатная решетка с крупным шагом для определения достоверных вводов касаний и в которых выполняется определение положения центроида на основе множества датчиков усилия для определения достоверных вводов касаний. 2 н. и 13 з.п. ф-лы, 5 ил.

Дирекция сайта "Промышленная Сибирь"
Россия, г.Омск, ул.Учебная, 199-Б, к.408А
Сайт открыт 01.11.2000
© 2000-2018 Промышленная Сибирь
Разработка дизайна сайта:
Дизайн-студия "RayStudio"