Промышленная Сибирь Ярмарка Сибири Промышленность СФО Электронные торги НОУ-ХАУ Электронные магазины Карта сайта
 
 

Поиск патентов

Как искать?
Реферат
Название
Публикация
Регистрационный номер
Имя заявителя
Имя изобретателя
Имя патентообладателя

    





Оформить заказ и задать интересующие Вас вопросы Вы можете напрямую c 6-00 до 14-30 по московскому времени кроме сб, вс. whatsapp 8-950-950-9888

На данной странице представлена ознакомительная часть выбранного Вами патента

Для получения более подробной информации о патенте (полное описание, формула изобретения и т.д.) Вам необходимо сделать заказ. Нажмите на «Корзину»


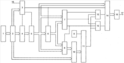
СИСТЕМА УПРАВЛЕНИЯ ВЫВОДОМ ДАННЫХ

Номер публикации патента: 2420788

Вид документа: C1 
Страна публикации: RU 
Рег. номер заявки: 2010111421/08 
  Сделать заказПолучить полное описание патента

Редакция МПК: 
Основные коды МПК: G06F003/06    
Аналоги изобретения: SU 583423 A1, 05.12.1977. GB 1264096 A, 16.02.1972. SU 1275455 A2, 07.12.1986. SU 1839254 A1, 30.12.1993. 

Имя заявителя: Коршунов Леонид Павлович (RU) 
Изобретатели: Калмакова Анастасия Викторовна (RU)
Коршунов Тимофей Леонидович (RU)
Алёхин Валентин Павлович (RU)
Коршунов Леонид Павлович (RU) 
Патентообладатели: Коршунов Леонид Павлович (RU) 

Реферат


Изобретение относится к вычислительной технике. Технический результат заключается в расширении области применения за счет получения на выходе системы данных в аналоговой форме. Указанный технический результат достигается тем, что система управления выводом данных содержит первый и второй блоки сопряжения, регистр, блок памяти, ЭВМ и дополнительный регистр. Также содержит схему сравнения кодов, вычитатель кодов, генератор опорной частоты, преобразователь кодов, цифро-аналоговый преобразователь, управляемый делитель частоты, первый и второй логические элементы ЗИ, реверсивный счетчик, входную и выходную шины. 1 ил.

Дирекция сайта "Промышленная Сибирь"
Россия, г.Омск, ул.Учебная, 199-Б, к.408А
Сайт открыт 01.11.2000
© 2000-2018 Промышленная Сибирь
Разработка дизайна сайта:
Дизайн-студия "RayStudio"