Промышленная Сибирь Ярмарка Сибири Промышленность СФО Электронные торги НОУ-ХАУ Электронные магазины Карта сайта
 
 

Поиск патентов

Как искать?
Реферат
Название
Публикация
Регистрационный номер
Имя заявителя
Имя изобретателя
Имя патентообладателя

    





Оформить заказ и задать интересующие Вас вопросы Вы можете напрямую c 6-00 до 14-30 по московскому времени кроме сб, вс. whatsapp 8-950-950-9888

На данной странице представлена ознакомительная часть выбранного Вами патента

Для получения более подробной информации о патенте (полное описание, формула изобретения и т.д.) Вам необходимо сделать заказ. Нажмите на «Корзину»


ОПТИЧЕСКИЙ КОНЪЮНКТОР НЕПРЕРЫВНЫХ (НЕЧЕТКИХ) МНОЖЕСТВ

Номер публикации патента: 2435193

Вид документа: C1 
Страна публикации: RU 
Рег. номер заявки: 2010136411/08 
  Сделать заказПолучить полное описание патента

Редакция МПК: 
Основные коды МПК: G06E003/00    
Аналоги изобретения: RU 2103721 С1, 27.01.1998. RU 2020549 С1, 30.09.1994. RU 2118844 С1, 10.09.1998. GB 2335102 А, 08.09.1999. 

Имя заявителя: Аллес Михаил Александрович (RU),
Соколов Сергей Викторович (RU),
Ковалев Сергей Михайлович (RU) 
Изобретатели: Аллес Михаил Александрович (RU)
Соколов Сергей Викторович (RU)
Ковалев Сергей Михайлович (RU) 
Патентообладатели: Аллес Михаил Александрович (RU)
Соколов Сергей Викторович (RU)
Ковалев Сергей Михайлович (RU) 

Реферат


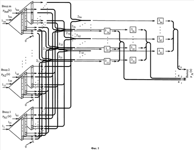
Данное изобретение относится к вычислительной технике и может быть использовано в оптических устройствах обработки информации, построенных на основе непрерывной (нечеткой) логики. Технический результат заключается в расширении функциональных возможностей устройства за счет создания устройства, выполняющего операцию пересечения (конъюнкции) непрерывных (нечетких) множеств при одновременном увеличении вычислительной производительности. Он достигается тем, что в оптический конъюнктор непрерывных (нечетких) множеств, содержащий оптический транспарант, оптический разветвитель, пару оптически связанных волноводов, введены m групп по k блоков пространственного распределения оптического потока, k групп по n оптических m-входных объединителей, k групп по n блоков нормирования интенсивности, k оптических n-входных объединителей, оптический конъюнктор непрерывных (нечетких) множеств имеет m входов, p-м входом оптического конъюнктора непрерывных (нечетких) множеств являются входы блоков пространственного распределения оптического потока p-й группы по k блоков пространственного распределения оптического потока (p=1, 2, , m). 4 ил.

Дирекция сайта "Промышленная Сибирь"
Россия, г.Омск, ул.Учебная, 199-Б, к.408А
Сайт открыт 01.11.2000
© 2000-2018 Промышленная Сибирь
Разработка дизайна сайта:
Дизайн-студия "RayStudio"