Промышленная Сибирь Ярмарка Сибири Промышленность СФО Электронные торги НОУ-ХАУ Электронные магазины Карта сайта
 
 

Поиск патентов

Как искать?
Реферат
Название
Публикация
Регистрационный номер
Имя заявителя
Имя изобретателя
Имя патентообладателя

    





Оформить заказ и задать интересующие Вас вопросы Вы можете напрямую c 6-00 до 14-30 по московскому времени кроме сб, вс. whatsapp 8-950-950-9888

На данной странице представлена ознакомительная часть выбранного Вами патента

Для получения более подробной информации о патенте (полное описание, формула изобретения и т.д.) Вам необходимо сделать заказ. Нажмите на «Корзину»


ТОКОВОЕ ЗЕРКАЛО

Номер публикации патента: 2365969

Вид документа: C1 
Страна публикации: RU 
Рег. номер заявки: 2008100481/09 
  Сделать заказПолучить полное описание патента

Редакция МПК: 
Основные коды МПК: G05F003/26   H03F003/04    
Аналоги изобретения: US 2002/0180531 A1, 05.12.2002. RU 2193273 C2, 20.11.2002. RU 2054789 C1, 20.02.1996. SU 1529410 A1, 15.12.1989. US 5359296 A, 25.10.1994. US 4412186 A, 25.10.1983. EP 0530500 A1, 10.03.1993. 

Имя заявителя: Государственное образовательное учреждение высшего профессионального образования "Южно-Российский государственный университет экономики и сервиса" (ГОУ ВПО "ЮРГУЭС") (RU) 
Изобретатели: Прокопенко Николай Николаевич (RU)
Конев Даниил Николаевич (RU)
Хорунжий Андрей Васильевич (RU) 
Патентообладатели: Государственное образовательное учреждение высшего профессионального образования "Южно-Российский государственный университет экономики и сервиса" (ГОУ ВПО "ЮРГУЭС") (RU) 

Реферат


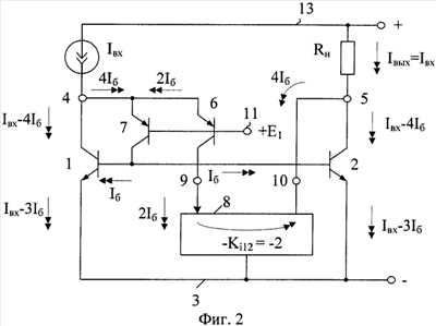
Изобретение относится к области радиотехники и связи и может быть использовано в качестве функционального узла различных устройств усиления аналоговых сигналов, в структуре аналоговых микросхем различного функционального назначения (например, операционных усилителях (ОУ), стабилизаторах напряжения, компараторах). Технический результат заключается в повышении точности передачи по току. Токовое зеркало содержит входной (1) и выходной (2) транзисторы, базы которых объединены, а эмиттеры подключены к шине (3) первого источника питания, причем коллектор входного транзистора (1) связан со входом 4 токового зеркала, а коллектор выходного транзистора (2) соединен с выходом (5) токового зеркала. В схему введены первый (6) и второй (7) дополнительные транзисторы и вспомогательный инвертирующий усилитель тока (8), вход (9) которого соединен с коллектором первого (6) дополнительного транзистора, а выход (10) связан с выходом (5) токового зеркала, эмиттер второго дополнительного транзистора (7) соединен с эмиттером первого дополнительного транзистора 6 и подключен ко входу (4) токового зеркала, базы первого (6) и второго (7) дополнительных транзисторов соединены с цепью установления статического потенциала (11), причем коллектор второго дополнительного транзистора (7) связан с базами входного (1) и выходного (2) транзисторов. 4 з.п. ф-лы, 23 ил.

Дирекция сайта "Промышленная Сибирь"
Россия, г.Омск, ул.Учебная, 199-Б, к.408А
Сайт открыт 01.11.2000
© 2000-2018 Промышленная Сибирь
Разработка дизайна сайта:
Дизайн-студия "RayStudio"