Промышленная Сибирь Ярмарка Сибири Промышленность СФО Электронные торги НОУ-ХАУ Электронные магазины Карта сайта
 
 

Поиск патентов

Как искать?
Реферат
Название
Публикация
Регистрационный номер
Имя заявителя
Имя изобретателя
Имя патентообладателя

    





Оформить заказ и задать интересующие Вас вопросы Вы можете напрямую c 6-00 до 14-30 по московскому времени кроме сб, вс. whatsapp 8-950-950-9888

На данной странице представлена ознакомительная часть выбранного Вами патента

Для получения более подробной информации о патенте (полное описание, формула изобретения и т.д.) Вам необходимо сделать заказ. Нажмите на «Корзину»


СПОСОБ РЕГУЛИРОВАНИЯ РЕЖИМА РАБОТЫ УСТАНОВКИ СУХОГО ТУШЕНИЯ КОКСА И УСТРОЙСТВО ДЛЯ ЕГО ОСУЩЕСТВЛЕНИЯ

Номер публикации патента: 2398005

Вид документа: C2 
Страна публикации: RU 
Рег. номер заявки: 2007132429/15 
  Сделать заказПолучить полное описание патента

Редакция МПК: 
Основные коды МПК: C10B039/02   G05D027/00    
Аналоги изобретения: SU 1017008 A1, 23.03.1992. SU 1636644 A1, 23.03.1991. SU 1573308 A1, 23.06.1990. SU 1776911 A1, 23.11.1992. SU 1642192 A1, 15.04.1991. UA 68315 A, 15.07.2004. 

Имя заявителя: Данилин Евгений Алексеевич (UA) 
Изобретатели: Данилин Евгений Алексеевич (UA) 
Патентообладатели: Данилин Евгений Алексеевич (UA) 
Приоритетные данные: 19.02.2007 UA а200701712 

Реферат


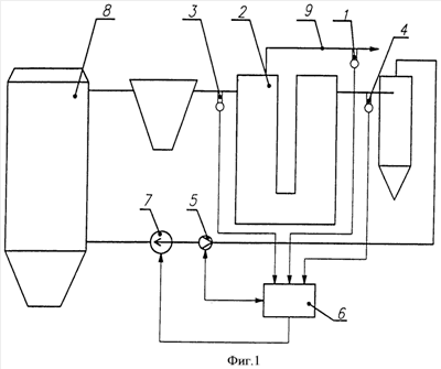
Изобретение может быть использовано в коксохимической промышленности. В камеру тушения кокса 8 загружают кокс. Циркулирующие газы отводят от камеры тушения кокса 8 с помощью тягодутьевого устройства 7 и подают в котел-утилизатор 2. Образовавшийся перегретый пар отводят от котла-утилизатора 2 по паропроводу 9. После котла-утилизатора 2 циркулирующие газы снова поступают в камеру тушения кокса 8. С целью регулирования фактического расхода циркулирующих газов и поддержания температуры перегретого пара на заданном уровне данные, полученные с датчика 1 температуры перегретого пара, датчика 3 температуры циркулирующих газов на входе в котел-утилизатор 2, датчика 4 температуры циркулирующих газов на выходе из котла-утилизатора 2 и датчика 5 расхода циркулирующих газов подают в блок управления 6. Обрабатав полученные данные, блок управления 6 вырабатывает сигнал управления тягодутьевым устройством 7. Изобретение позволяет повысить точность регулирования температуры перегретого пара и понизить энергозатраты. 2 н. и 1 з.п. ф-лы, 2 ил.

Дирекция сайта "Промышленная Сибирь"
Россия, г.Омск, ул.Учебная, 199-Б, к.408А
Сайт открыт 01.11.2000
© 2000-2018 Промышленная Сибирь
Разработка дизайна сайта:
Дизайн-студия "RayStudio"