Промышленная Сибирь Ярмарка Сибири Промышленность СФО Электронные торги НОУ-ХАУ Электронные магазины Карта сайта
 
 

Поиск патентов

Как искать?
Реферат
Название
Публикация
Регистрационный номер
Имя заявителя
Имя изобретателя
Имя патентообладателя

    





Оформить заказ и задать интересующие Вас вопросы Вы можете напрямую c 6-00 до 14-30 по московскому времени кроме сб, вс. whatsapp 8-950-950-9888

На данной странице представлена ознакомительная часть выбранного Вами патента

Для получения более подробной информации о патенте (полное описание, формула изобретения и т.д.) Вам необходимо сделать заказ. Нажмите на «Корзину»


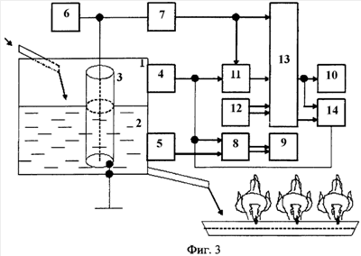
СПОСОБ И УСТРОЙСТВО КОНТРОЛЯ УРОВНЯ ЖИДКИХ И ПОЛУЖИДКИХ СМЕСЕЙ И УПРАВЛЕНИЯ ИХ ОБЪЕМНЫМ ДОЗИРОВАНИЕМ В СЕЛЬСКОМ ХОЗЯЙСТВЕ, ПРЕИМУЩЕСТВЕННО В ПТИЦЕВОДСТВЕ И ЖИВОТНОВОДСТВЕ

Номер публикации патента: 2427131

Вид документа: C2 
Страна публикации: RU 
Рег. номер заявки: 2009115865/21 
  Сделать заказПолучить полное описание патента

Редакция МПК: 
Основные коды МПК: A01K029/00   G01F023/18   G05D009/12    
Аналоги изобретения: SU 909580 А, 28.02.1982. RU 2299406 C1, 20.05.2007. RU 2264601 C2, 20.11.2005. US 3797311 A, 19.03.1974. RU 2262668 C2, 20.10.2005. 

Имя заявителя: Российская Академия сельскохозяйственных наук Государственное научное учреждение Всероссийский научно-исследовательский институт электрификации сельского хозяйства Российской Академии Сельскохозяйственных наук (ГНУ ВИЭСХ РОССЕЛЬХОЗАКАДЕМИИ) (RU) 
Изобретатели: Дубровин Александр Владимирович (RU) 
Патентообладатели: Российская Академия сельскохозяйственных наук Государственное научное учреждение Всероссийский научно-исследовательский институт электрификации сельского хозяйства Российской Академии Сельскохозяйственных наук (ГНУ ВИЭСХ РОССЕЛЬХОЗАКАДЕМИИ) (RU) 

Реферат


Способ включает заполнение резервуара с неизменной по его высоте внутренней площадью его горизонтального сечения жидкими и полужидкими смесями, задание объемной дозы смесей и опорожнение резервуара при дозировании смесей. Внутри резервуара по его высоте размещают емкостный датчик уровня смеси с возможностью его заполнения одновременно с заполнением резервуара смесями. Конструктивные и зависящие от них электрические характеристики емкостного датчика неизменны по его высоте в отсутствие заполнения резервуара и одновременно с ним самого емкостного датчика. Наибольшее и наименьшее технологически допустимые значения верхнего и нижнего уровней смесей задают в резервуаре посредством установки отдельных датчиков верхнего и нижнего уровней смесей. Заполнение резервуара прекращают при достижении смесью уровня расположения датчика верхнего уровня смеси и начинают заполнение резервуара при достижении смесью уровня расположения датчика нижнего уровня смеси. Формируют сигнал электрических колебаний на емкостном датчике. Измеряют амплитуды сигнала электрических колебаний на емкостном датчике. Формируют сигнал уровня смесей в резервуаре в зависимости от измеряемой амплитуды сигнала электрических колебаний на емкостном датчике. В момент времени каждого очередного достижения уровнем смесей уровня расположения датчика верхнего уровня смеси определяют значение произведения высоты от верхнего до нижнего технологически допустимых значений уровней смесей в резервуаре на значение амплитуды сигнала электрических колебаний на емкостном датчике в этот момент времени. Корректируют величину сформированного сигнала уровня смесей в резервуаре пропорционально определенному значению произведения и обратно пропорционально измеряемой амплитуде сигнала электрических колебаний на емкостном датчике. При опорожнении резервуара в момент времени начала очередного дозирования определяют начальное значение сформированного сигнала уровня смесей в резервуаре. Определяют конечное для дозирования значение сформированного сигнала уровня смесей в резервуаре как разность между начальным значением сформированного сигнала уровня смесей в резервуаре и результатом деления заданной объемной дозы смесей на значение внутренней площади горизонтального сечения резервуара. Сравнивают определенное конечное значение сформированного сигнала уровня с корректированной величиной сформированного сигнала уровня смеси и при их равенстве прекращают объемное дозирование смесей. Устройство содержит резервуар, установленный в резервуаре емкостный датчик уровня смеси, датчики верхнего и нижнего уровня смеси, генератор электрических колебаний, преобразователь сигнала, блок управления насосом и заслонкой, блок насоса и заслонки, индикатор измеренного уровня смеси. Выход генератора электрических колебаний соединен с емкостным датчиком и с входом преобразователя сигнала. Выход датчика верхнего уровня смеси подключен к первому входу блока управления насосом и заслонкой, второй вход и выходы которого соединены соответственно с выходом датчика нижнего уровня смеси и с соответствующими входами блока насоса и заслонки. Устройство также содержит селектор, блок задатчиков сигналов верхнего измеряемого уровня смеси, дозы смеси и момента времени начала очередного дозирования смеси, вычислительный блок и компаратор. Выход преобразователя сигнала подключен к первому входу вычислительного блока и к первому сигнальному входу селектора. Ко второму управляющему входу селектора подключено соединение выхода датчика верхнего уровня смеси, первого входа блока управления насосом и заслонкой и выхода компаратора. Выход селектора соединен со вторым входом вычислительного блока, третий и четвертый входы которого подключены соответственно к первому и второму выходам блока задатчиков сигналов верхнего измеряемого уровня смеси и момента времени начала очередного дозирования смеси. Первый выход вычислительного блока соединен с входом индикатора измеренного уровня смеси и с первым инвертирующим входом компаратора, а его второй выход подключен ко второму неинвертирующему входу компаратора. Повышается точность контроля уровня и управления дозированием смесей. 2 н.п. ф-лы, 3 ил.

Дирекция сайта "Промышленная Сибирь"
Россия, г.Омск, ул.Учебная, 199-Б, к.408А
Сайт открыт 01.11.2000
© 2000-2018 Промышленная Сибирь
Разработка дизайна сайта:
Дизайн-студия "RayStudio"