Промышленная Сибирь Ярмарка Сибири Промышленность СФО Электронные торги НОУ-ХАУ Электронные магазины Карта сайта
 
 

Поиск патентов

Как искать?
Реферат
Название
Публикация
Регистрационный номер
Имя заявителя
Имя изобретателя
Имя патентообладателя

    





Оформить заказ и задать интересующие Вас вопросы Вы можете напрямую c 6-00 до 14-30 по московскому времени кроме сб, вс. whatsapp 8-950-950-9888

На данной странице представлена ознакомительная часть выбранного Вами патента

Для получения более подробной информации о патенте (полное описание, формула изобретения и т.д.) Вам необходимо сделать заказ. Нажмите на «Корзину»


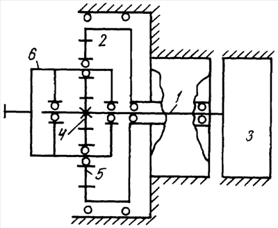
РЕГУЛЯТОР СКОРОСТИ

Номер публикации патента: 2380733

Вид документа: C1 
Страна публикации: RU 
Рег. номер заявки: 2008142594/28 
  Сделать заказПолучить полное описание патента

Редакция МПК: 
Основные коды МПК: G05D013/00    
Аналоги изобретения: RU 2136101 Cl, 27.08.1999. SU 1651076 A1, 23.05.1991. RU 2106681 C1, 10.03.1998. RU 2219410 С2, 20.12.2003. SU 319996 A1, 02.11.1971. 

Имя заявителя: Багич Геннадий Леонидович (RU) 
Изобретатели: Багич Геннадий Леонидович (RU) 
Патентообладатели: Багич Геннадий Леонидович (RU) 

Реферат


Изобретение относится к машиностроению, где необходимо регулировать скорость в широких пределах. Техническим результатом является увеличение скоростного диапазона регулирования и ресурса работы. Регулятор скорости содержит планетарный редуктор и два электродвигателя, один из которых механически связан с внешним колесом, а другой с шестерней редуктора. Между колесом и шестерней имеются сателлиты, валы которых связаны с выходным валом устройства. 2 з.п. ф-лы, 1 ил.

Дирекция сайта "Промышленная Сибирь"
Россия, г.Омск, ул.Учебная, 199-Б, к.408А
Сайт открыт 01.11.2000
© 2000-2018 Промышленная Сибирь
Разработка дизайна сайта:
Дизайн-студия "RayStudio"