Промышленная Сибирь Ярмарка Сибири Промышленность СФО Электронные торги НОУ-ХАУ Электронные магазины Карта сайта
 
 

Поиск патентов

Как искать?
Реферат
Название
Публикация
Регистрационный номер
Имя заявителя
Имя изобретателя
Имя патентообладателя

    





Оформить заказ и задать интересующие Вас вопросы Вы можете напрямую c 6-00 до 14-30 по московскому времени кроме сб, вс. whatsapp 8-950-950-9888

На данной странице представлена ознакомительная часть выбранного Вами патента

Для получения более подробной информации о патенте (полное описание, формула изобретения и т.д.) Вам необходимо сделать заказ. Нажмите на «Корзину»


УСТРОЙСТВО БЕЗУДАРНОГО ПЕРЕХОДА С ОДНОГО ПАРАМЕТРА УПРАВЛЕНИЯ НА ДРУГОЙ

Номер публикации патента: 2372637

Вид документа: C2 
Страна публикации: RU 
Рег. номер заявки: 2007129992/09 
  Сделать заказПолучить полное описание патента

Редакция МПК: 
Основные коды МПК: G05B007/00    
Аналоги изобретения: RU 2223527 С2, 10.02.2004. SU 742870, 25.06.1980. RU 2157558 С1, 10.10.2000. RU 2127895 С1, 20.03.1999. US 3940594 А, 24.02.1976. DE 1237206 В, 23.03.1967. 

Имя заявителя: Открытое акционерное общество "Концерн "Научно-производственное объединение "Аврора" (ОАО "Концерн "НПО "Аврора") (RU) 
Изобретатели: Берденников Андрей Алексеевич (RU)
Зоммер Генрих Викторович (RU)
Шраер Александр Израилевич (RU) 
Патентообладатели: Открытое акционерное общество "Концерн "Научно-производственное объединение "Аврора" (ОАО "Концерн "НПО "Аврора") (RU) 

Реферат


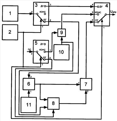
Устройство безударного перехода с одного параметра управления на другой относится к автоматике и предназначено для использования в системах управления энергоустановками со следящим приводом регулирующего органа. Технический результат заключается в обеспечении возможности безударного перехода с одного параметра управления на другой на режимах дистанционного, автоматического управления и в режиме консервации процесса регулирования при повышении точности управления и надежности устройства. Устройство содержит задатчик управляющего сигнала, коммутаторы и задатчик режима работы, выход которого связан с первыми входами коммутаторов, суммирующий усилитель, предназначенный для формирования разностного сигнала, первый вход которого связан с выходом датчика регулируемого параметра, интегрирующий усилитель, блок памяти и суммирующий усилитель, предназначенный для формирования суммирующего сигнала. 1 ил.

Дирекция сайта "Промышленная Сибирь"
Россия, г.Омск, ул.Учебная, 199-Б, к.408А
Сайт открыт 01.11.2000
© 2000-2018 Промышленная Сибирь
Разработка дизайна сайта:
Дизайн-студия "RayStudio"