|
На данной странице представлена ознакомительная часть выбранного Вами патента
Для получения более подробной информации о патенте (полное описание, формула изобретения и т.д.) Вам необходимо сделать заказ. Нажмите на «Корзину»
| АДАПТИВНАЯ СИСТЕМА ДЛЯ ОБЪЕКТОВ С ЗАПАЗДЫВАНИЕМ ПО УПРАВЛЕНИЮ |  |
Номер публикации патента: 2173871 |  |
| Редакция МПК: | 7 | | Основные коды МПК: | G05B013/02 | | Аналоги изобретения: | SU 1019400 A, 23.05.1983. SU 1105860 A, 30.07.1984. RU 2109317 C1, 20.04.1998. EP 0233071 A1, 19.08.1987. |
| Имя заявителя: | Амурский государственный университет | | Изобретатели: | Еремин Е.Л. Еремин И.Е. Самохвалова С.Г. | | Патентообладатели: | Амурский государственный университет |
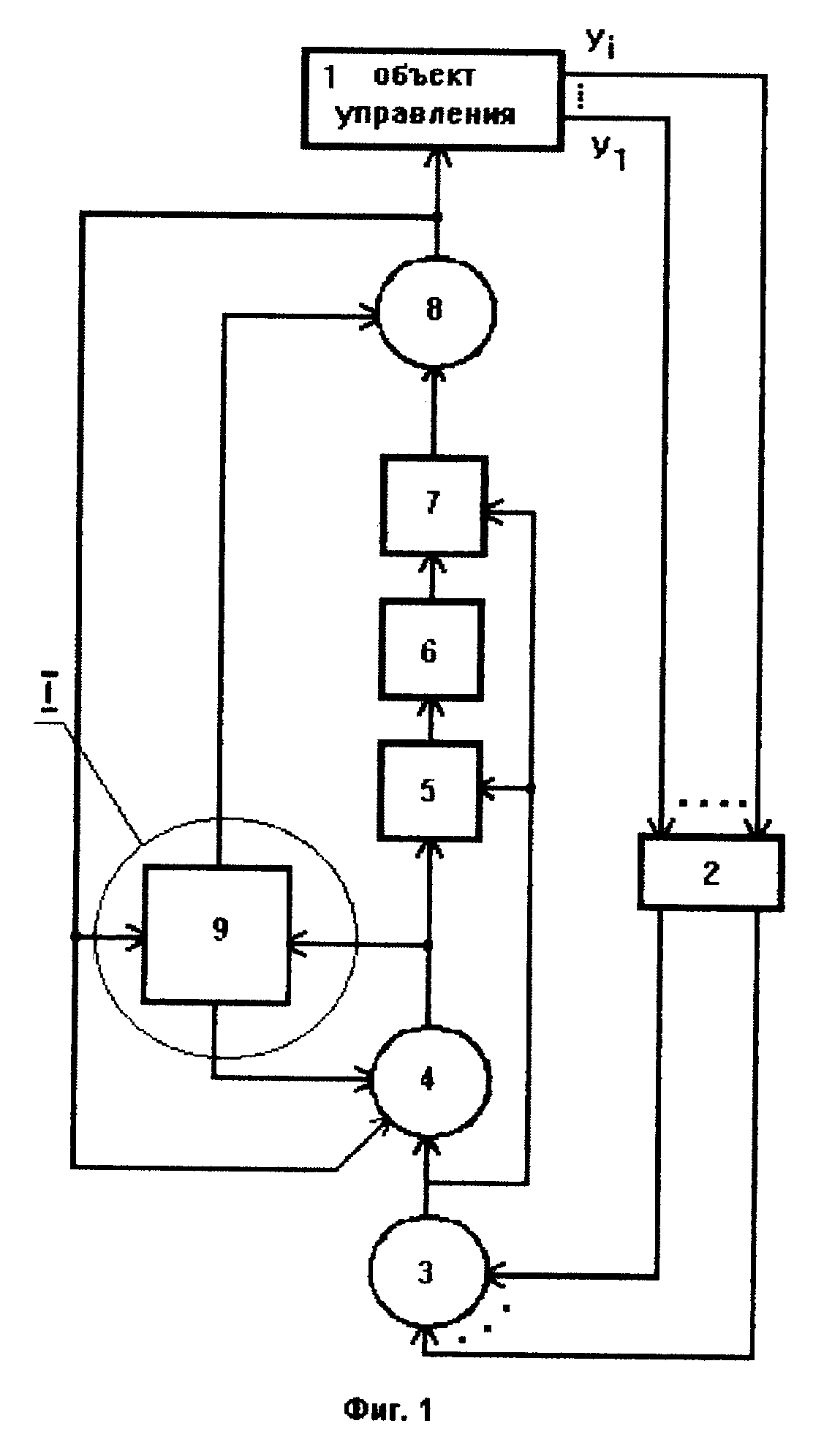
Реферат |  |
Изобретение относится к системам автоматического управления и может быть использовано для линейных динамических объектов управления, причем параметры объекта - неизвестные постоянные или медленно меняющиеся во времени параметры. Технический результат заключается в решении функциональных возможностей адаптивной системы управления за счет введения запаздывания по управлению. Система содержит блок задания коэффициентов, блоки суммирования, умножители, интегратор, блок дополнительной задержки. 2 ил.
|