Промышленная Сибирь Ярмарка Сибири Промышленность СФО Электронные торги НОУ-ХАУ Электронные магазины Карта сайта
 
 

Поиск патентов

Как искать?
Реферат
Название
Публикация
Регистрационный номер
Имя заявителя
Имя изобретателя
Имя патентообладателя

    





Оформить заказ и задать интересующие Вас вопросы Вы можете напрямую c 6-00 до 14-30 по московскому времени кроме сб, вс. whatsapp 8-950-950-9888

На данной странице представлена ознакомительная часть выбранного Вами патента

Для получения более подробной информации о патенте (полное описание, формула изобретения и т.д.) Вам необходимо сделать заказ. Нажмите на «Корзину»


ГИБКИЙ НАНО - ВПЕЧАТЫВАЮЩИЙ ШТАМП

Номер публикации патента: 2365960

Вид документа: C2 
Страна публикации: RU 
Рег. номер заявки: 2007112511/28 
  Сделать заказПолучить полное описание патента

Редакция МПК: 
Основные коды МПК: G03F007/00    
Аналоги изобретения: US 2003017424 A1, 23.01.2003. US 2002132482 A1, 19.09.2002. WO 02103085 A1, 27.12.2002. 

Имя заявителя: НИЛ ТЕКНОЛОДЖИ АПС (DK) 
Изобретатели: НИЛЬСЕН Теодор (DK)
КРИСТЕНСЕН Андерс (DK)
ХАНСЕН Оле (DK) 
Патентообладатели: НИЛ ТЕКНОЛОДЖИ АПС (DK) 
Приоритетные данные: 08.09.2004 DK PA200401354
24.09.2004 US 60/612,520 

Реферат


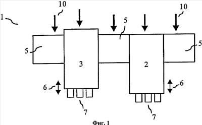
Настоящее изобретение относится к нановпечатывающему штампу, предназначенному для впечатывания миллимикронных (нано) и миллиметровых структур. Гибкий нановпечатывающий штамп 1 имеет основную деталь и первую, и вторую впечатывающие части 2, 3, первая и вторая впечатывающие части имеют литографический рисунок 7, предназначенный для впечатывания в воспринимающую рисунок подложку. В первом аспекте первая и вторая впечатывающие части 2, 3 могут независимо смещаться в направлении, практически параллельном направлению впечатывания впечатывающего штампа. Во втором аспекте первая и вторая впечатывающие части 2, 3 механически слабо связаны в направлении, практически параллельном направлению впечатывания впечатывающего штампа. Штамп ограничивает влияние дефектов в подложке, запечатываемой литографическим рисунком 7, или на ней и дефектов в штампе или на нем, и любых сочетаний таких дефектов путем локализации изгиба штампа в основную деталь 5 между впечатывающими частями 2, 3. Технический результат направлен на создание гибкого штампа для НВЛ, который может ограничивать влияние дефектов в подложке. 3 н. и 28 з.п. ф-лы, 7 ил.

Дирекция сайта "Промышленная Сибирь"
Россия, г.Омск, ул.Учебная, 199-Б, к.408А
Сайт открыт 01.11.2000
© 2000-2018 Промышленная Сибирь
Разработка дизайна сайта:
Дизайн-студия "RayStudio"