Промышленная Сибирь Ярмарка Сибири Промышленность СФО Электронные торги НОУ-ХАУ Электронные магазины Карта сайта
 
 

Поиск патентов

Как искать?
Реферат
Название
Публикация
Регистрационный номер
Имя заявителя
Имя изобретателя
Имя патентообладателя

    





Оформить заказ и задать интересующие Вас вопросы Вы можете напрямую c 6-00 до 14-30 по московскому времени кроме сб, вс. whatsapp 8-950-950-9888

На данной странице представлена ознакомительная часть выбранного Вами патента

Для получения более подробной информации о патенте (полное описание, формула изобретения и т.д.) Вам необходимо сделать заказ. Нажмите на «Корзину»


ОПТИЧЕСКИЙ Т - ТРИГГЕР

Номер публикации патента: 2461031

Вид документа: C1 
Страна публикации: RU 
Рег. номер заявки: 2011114435/28 
  Сделать заказПолучить полное описание патента

Редакция МПК: 
Основные коды МПК: G02F003/02    
Аналоги изобретения: JP 62139530 А, 23.06.1987. UA 23696 U, 11.06.2007. RU 2177164 C1, 20.12.2001. RU 2273041 C1, 27.03.2006. 

Имя заявителя: Аллес Михаил Александрович (RU),
Соколов Сергей Викторович (RU) 
Изобретатели: Аллес Михаил Александрович (RU)
Соколов Сергей Викторович (RU) 
Патентообладатели: Аллес Михаил Александрович (RU)
Соколов Сергей Викторович (RU) 

Реферат


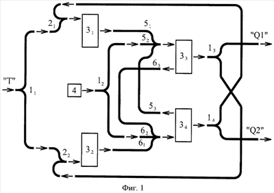
Изобретение относится к средствам вычислительной техники и может быть использовано в оптических устройствах обработки информации при разработке и создании оптических вычислительных машин и приемопередающих устройств. Устройство содержит четыре оптических бистабильных элемента, четыре оптических Y-разветвителя, два оптических Y-объединителя, источник излучения, два оптических трехвходных объединителя, счетным входом «Т» является вход первого оптического Y-объединителя. Первый выход третьего оптического Y-разветвителя является первым выходом устройства, первый выход четвертого оптического Y-разветвителя является вторым выходом устройства. Технический результат - расширение функциональных возможностей. 1 ил.

Дирекция сайта "Промышленная Сибирь"
Россия, г.Омск, ул.Учебная, 199-Б, к.408А
Сайт открыт 01.11.2000
© 2000-2018 Промышленная Сибирь
Разработка дизайна сайта:
Дизайн-студия "RayStudio"