|
На данной странице представлена ознакомительная часть выбранного Вами патента
Для получения более подробной информации о патенте (полное описание, формула изобретения и т.д.) Вам необходимо сделать заказ. Нажмите на «Корзину»
| ДОПЛЕРОВСКИЙ ФАЗОМЕТР МНОГОЧАСТОТНЫХ СИГНАЛОВ |  |
Номер публикации патента: 2165627 |  |
| Редакция МПК: | 7 | | Основные коды МПК: | G01R025/00 | | Аналоги изобретения: | SU 1748086 A, 30.05.1980. SU 1195279 A, 30.11.1985. SU 737860 A, 30.05.1980. GB 1182637 A, 25.02.1970. |
| Имя заявителя: | Рязанская государственная радиотехническая академия | | Изобретатели: | Попов Д.И. Белокрылов А.Г. | | Патентообладатели: | Рязанская государственная радиотехническая академия |
Реферат |  |
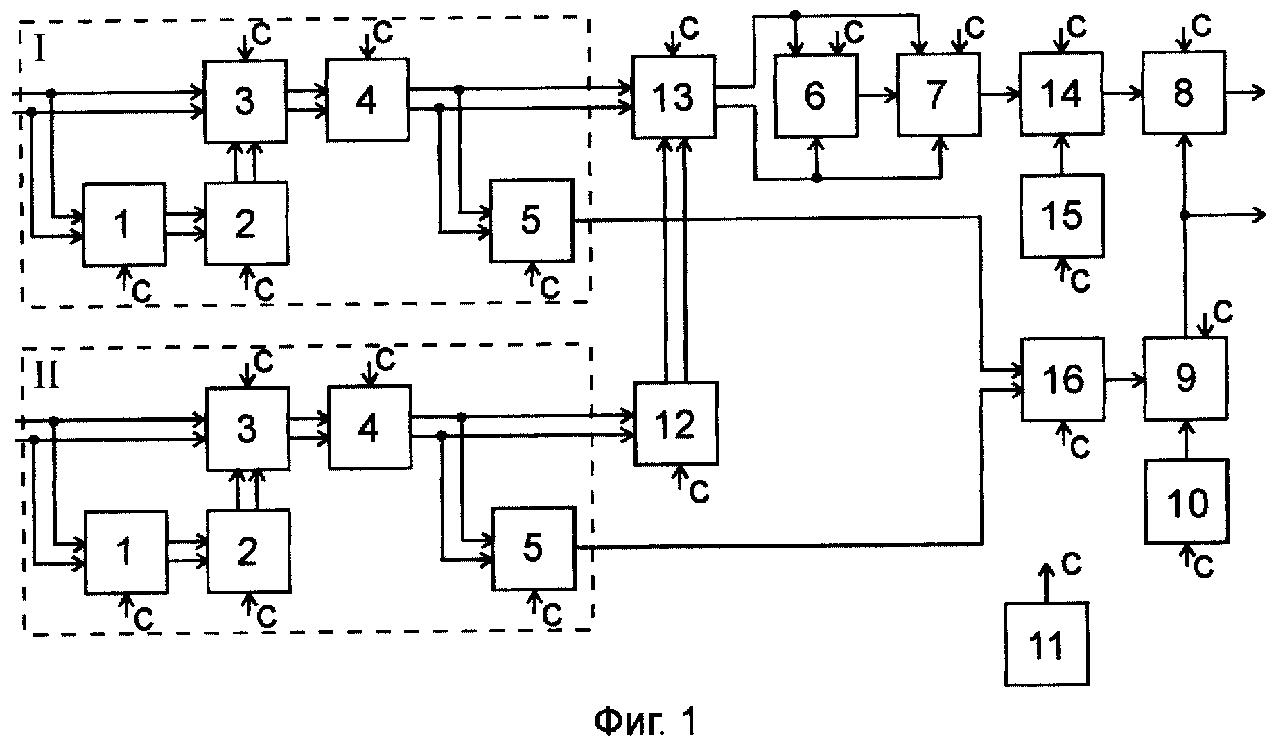
Изобретение относится к измерительной технике и предназначено для измерения радиальной скорости объекта в многочастотных импульсных РЛС одновременного излучения; может быть использовано в радиолокационных и навигационных системах для однозначного определения доплеровской скорости. Доплеровский фазометр многочастотных сигналов содержит два частотных канала, осуществляющих на основе последовательно соединенных блоков задержки, комплексного сопряжения, комплексного умножения, усреднения и вычисления модуля обработку исходных отсчетов, схему вычисления оценки доплеровской скорости на основе последовательно соединенных блоков вычисления фазы, коррекции пределов измерения и дополнительного умножителя и две схемы объединения частотных каналов на основе дополнительного сумматора и дополнительного комплексного умножителя совместно с блоком комплексного сопряжения, применение которых позволяет повысить эффективность обнаружения и обеспечить необходимый диапазон однозначно измеряемых доплеровских скоростей, что является техническим результатом. 10 ил.
|