Промышленная Сибирь Ярмарка Сибири Промышленность СФО Электронные торги НОУ-ХАУ Электронные магазины Карта сайта
 
 

Поиск патентов

Как искать?
Реферат
Название
Публикация
Регистрационный номер
Имя заявителя
Имя изобретателя
Имя патентообладателя

    





Оформить заказ и задать интересующие Вас вопросы Вы можете напрямую c 6-00 до 14-30 по московскому времени кроме сб, вс. whatsapp 8-950-950-9888

На данной странице представлена ознакомительная часть выбранного Вами патента

Для получения более подробной информации о патенте (полное описание, формула изобретения и т.д.) Вам необходимо сделать заказ. Нажмите на «Корзину»


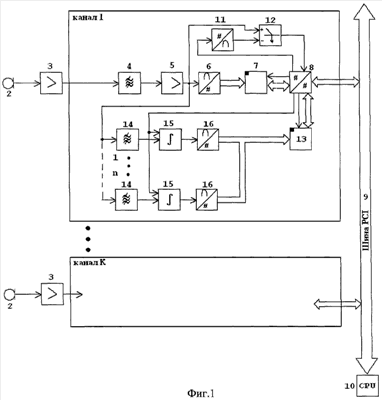
СПОСОБ АКУСТИКО - ЭМИССИОННОГО КОНТРОЛЯ КАЧЕСТВА СВАРНОГО ШВА В ПРОЦЕССЕ СВАРКИ И УСТРОЙСТВО ДЛЯ ЕГО ОСУЩЕСТВЛЕНИЯ

Номер публикации патента: 2379677

Вид документа: C1 
Страна публикации: RU 
Рег. номер заявки: 2008129607/28 
  Сделать заказПолучить полное описание патента

Редакция МПК: 
Основные коды МПК: G01N029/14    
Аналоги изобретения: RU 2156456 C1, 20.09.2000. RU 2296320 C1, 27.03.2007. RU 2240551 C2, 20.11.2004. RU 2150698 C1, 10.06.2000. JP 57179657 A, 05.11.1982. JP 62043565 A, 25.02.1987. 

Имя заявителя: ФГУП "Сибирский научно-исследовательский институт авиации им. С.А. Чаплыгина" (ФГУП "СибНИА им. С.А. Чаплыгина") (RU) 
Изобретатели: Степанова Людмила Николаевна (RU)
Серьезнов Алексей Николаевич (RU)
Кабанов Сергей Иванович (RU)
Лебедев Евгений Юрьевич (RU)
Бехер Сергей Алексеевич (RU)
Рамазанов Илья Сергеевич (RU)
Канифадин Кирилл Владимирович (RU) 
Патентообладатели: ФГУП "Сибирский научно-исследовательский институт авиации им. С.А. Чаплыгина" (ФГУП "СибНИА им. С.А. Чаплыгина") (RU) 

Реферат


Использование: для акустико-эмиссионного контроля качества сварного шва в процессе сварки. Сущность: заключается в том, что осуществляют прием возникающих в зоне сварки акустических сигналов смещенными друг относительно друга и относительно сварного шва К широкополосными акустическими преобразователями, усиление принимаемых акустических сигналов, их фильтрацию по величине заданной пиковой амплитуды и степени высокочастотности спектра акустического сигнала, аналого-цифровое преобразование, регистрацию времен прихода сигналов акустической эмиссии на акустические преобразователи, вычисление координат источников акустических сигналов, по результатам акустико-эмиссионного контроля строят картину локализации сигналов акустической эмиссии и выделяют активные области, характеризующиеся повышенным количеством сигналов акустической эмиссии, при этом в процессе контроля регистрируют непрерывные сигналы, усредняют их амплитуду на заданном интервале времени и по ее значению регулируют порог селекции канала преобразования информации для приема в зоне сварки акустических сигналов и по цифровой форме сигнала акустической эмиссии проводят кластеризацию группы сигналов для каждый пьезоантенны, состоящей из трех акустических преобразователей, выделяют группы сигналов, объединенных в кластеры, проводят их локализацию, и при превышении в кластерах критического числа сигналов, удовлетворяющих условиям превышения амплитудной и частотной селекции, сварной шов бракуется. Технический результат: повышение достоверности контроля дефектов и точности их локализации в сварном шве во время сварки и остывания сварного шва. 2 н.п. ф-лы, 3 ил.

Дирекция сайта "Промышленная Сибирь"
Россия, г.Омск, ул.Учебная, 199-Б, к.408А
Сайт открыт 01.11.2000
© 2000-2018 Промышленная Сибирь
Разработка дизайна сайта:
Дизайн-студия "RayStudio"