Промышленная Сибирь Ярмарка Сибири Промышленность СФО Электронные торги НОУ-ХАУ Электронные магазины Карта сайта
 
 

Поиск патентов

Как искать?
Реферат
Название
Публикация
Регистрационный номер
Имя заявителя
Имя изобретателя
Имя патентообладателя

    





Оформить заказ и задать интересующие Вас вопросы Вы можете напрямую c 6-00 до 14-30 по московскому времени кроме сб, вс. whatsapp 8-950-950-9888

На данной странице представлена ознакомительная часть выбранного Вами патента

Для получения более подробной информации о патенте (полное описание, формула изобретения и т.д.) Вам необходимо сделать заказ. Нажмите на «Корзину»


МНОГОКАНАЛЬНОЕ УСТРОЙСТВО АНАЛИЗА ПРОСТРАНСТВЕННЫХ ВЕКТОРНЫХ ВЕЛИЧИН (ВАРИАНТЫ)

Номер публикации патента: 2399890

Вид документа: C1 
Страна публикации: RU 
Рег. номер заявки: 2009122261/28 
  Сделать заказПолучить полное описание патента

Редакция МПК: 
Основные коды МПК: G01H011/06    
Аналоги изобретения: SU 1330475 A1, 15.08.1987. RU 2025671 C1, 30.12.1994. RU 2078320 C1, 27.04.1997. US 6038924 A, 21.03.2000. JP 4315962 A, 06.11.1992. 

Имя заявителя: Общество с ограниченной ответственностью "ДИАМЕХ 2000" (RU) 
Изобретатели: Радчик Игорь Иосифович (RU)
Тараканов Вячеслав Михайлович (RU)
Скворцов Олег Борисович (RU) 
Патентообладатели: Общество с ограниченной ответственностью "ДИАМЕХ 2000" (RU) 

Реферат


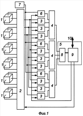
Изобретение относится к устройствам контроля пространственных величин, например пространственной вибрации, и может быть использовано в системах контроля, диагностики, защиты и навигации. Многоканальное устройство анализа пространственных векторных величин содержит многокомпонентные датчики пространственных величин, выходы которых соединены с входами коммутатора, каждый выход которого соединен с входами соответствующих умножающих цифроаналоговых преобразователей, выходы которых соединены с входами соответствующих сумматоров, выходы которых соединены с входами блока измерения и управления, выходы адресного кода и управляющего кода которого соединены соответственно с адресными входами коммутатора и входами управляющего кода умножающих цифроаналоговых преобразователей. Для повышения достоверности функционирования дополнительный вход каждого из сумматоров соединен с выходом соответствующего дополнительного умножающего цифроаналогового преобразователя, входы которых соединены с выходом источника опорного напряжения, а управляющие входы соединены с выходом управляющего кода блока измерения и управления. 2 н. и 7 з.п. ф-лы, 8 ил.

Дирекция сайта "Промышленная Сибирь"
Россия, г.Омск, ул.Учебная, 199-Б, к.408А
Сайт открыт 01.11.2000
© 2000-2018 Промышленная Сибирь
Разработка дизайна сайта:
Дизайн-студия "RayStudio"