|
На данной странице представлена ознакомительная часть выбранного Вами патента
Для получения более подробной информации о патенте (полное описание, формула изобретения и т.д.) Вам необходимо сделать заказ. Нажмите на «Корзину»
| СПОСОБ ИЗМЕРЕНИЯ ФИЗИЧЕСКИХ ВЕЛИЧИН И УСТРОЙСТВО ДЛЯ ЕГО ОСУЩЕСТВЛЕНИЯ |  |
Номер публикации патента: 2175435 |  |
| Редакция МПК: | 7 | | Основные коды МПК: | G01D005/12 G01F023/00 | | Аналоги изобретения: | БОДНЕР В.А. Приборы первичной информации. - М.: Машиностроение, 1981,с.280-284. RU 2068174 С1, 20.10.1996. RU 2014573 С1, 15.06.1994. RU 2054633 С1, 20.02.1996. |
| Имя заявителя: | Лычагин Александр Иванович | | Изобретатели: | Лычагин А.И. | | Патентообладатели: | Лычагин Александр Иванович |
Реферат |  |
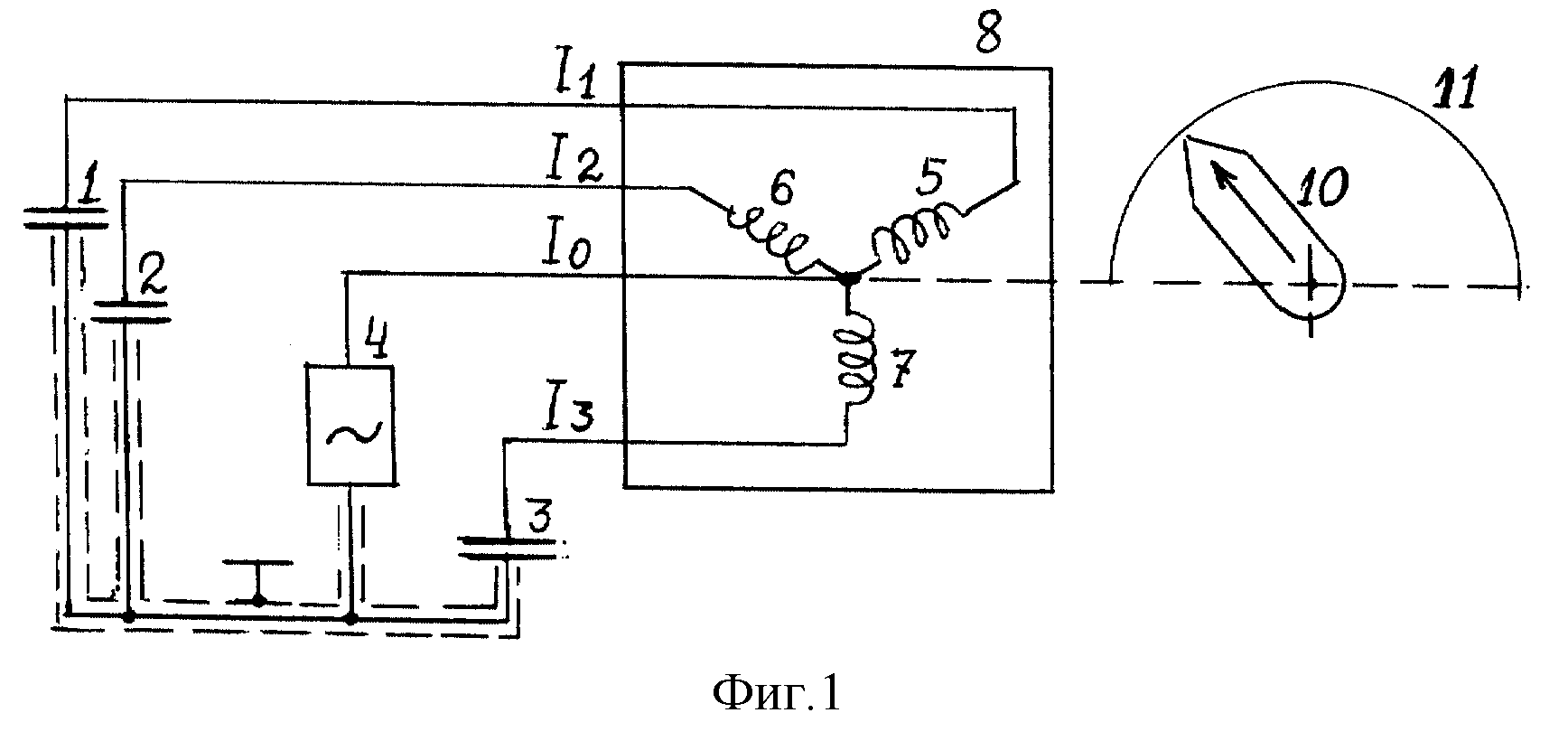
Изобретение относится к области приборостроения. В процессе измерения физической величины наблюдают за углом сдвига вектора индукции магнитного поля, наводимого векторной суммой трех токов, имеющих общее начало, лежащих в одной плоскости и развернутых на углы 120o, два (один) из которых протекают в испытуемых образцах (испытуемом образце), а один (два) протекает через эталон (два эталона) относительно вектора индукции магнитного поля, наводимого вектором тока в цепи эталона (испытуемого образца). Далее вычисляют измеряемую физическую величину по значениям величин эталона (эталонов) и тригонометрической функции наблюдаемого угла сдвига или считывают значения измеряемой физической величины со шкалы, отградуированной с учетом величин эталона (эталонов) и тригонометрической функции угла сдвига. При необходимости ограничения мощности электрических цепей первичного преобразователя об угле сдвига вектора индукции магнитного поля судят по отношению двух напряжений, пропорциональных косинусной и синусной проекциям векторной суммы трех токов на вектор тока в цепи эталона (первичного преобразователя). Изобретение позволяет создать аппаратуру для измерения физических величин, характеризующуюся простой конструкцией и повышенной эксплуатационной надежностью. 6 с. и 6 з.п. ф-лы, 8 ил.
|