Промышленная Сибирь Ярмарка Сибири Промышленность СФО Электронные торги НОУ-ХАУ Электронные магазины Карта сайта
 
 

Поиск патентов

Как искать?
Реферат
Название
Публикация
Регистрационный номер
Имя заявителя
Имя изобретателя
Имя патентообладателя

    





Оформить заказ и задать интересующие Вас вопросы Вы можете напрямую c 6-00 до 14-30 по московскому времени кроме сб, вс. whatsapp 8-950-950-9888

На данной странице представлена ознакомительная часть выбранного Вами патента

Для получения более подробной информации о патенте (полное описание, формула изобретения и т.д.) Вам необходимо сделать заказ. Нажмите на «Корзину»


СПОСОБ ДЛЯ СЖИЖЕНИЯ ПОТОКА УГЛЕВОДОРОДОВ И УСТАНОВКА ДЛЯ ЕГО ОСУЩЕСТВЛЕНИЯ

Номер публикации патента: 2423653

Вид документа: C2 
Страна публикации: RU 
Рег. номер заявки: 2008149131/06 
  Сделать заказПолучить полное описание патента

Редакция МПК: 
Основные коды МПК: F25J001/02    
Аналоги изобретения: US 4548629 A, 22.10.1985. RU 2226660 C2, 10.04.2004. RU 2121637 C1, 10.11.1998. US 4541852 A, 17.09.1985. US 6378330 B1, 30.04.2002. 

Имя заявителя: ШЕЛЛ ИНТЕРНЭШНЛ РИСЕРЧ МААТСХАППИЙ Б.В. (NL) 
Изобретатели: ЯГЕР Марко Дик (NL) 
Патентообладатели: ШЕЛЛ ИНТЕРНЭШНЛ РИСЕРЧ МААТСХАППИЙ Б.В. (NL) 
Приоритетные данные: 15.05.2006 EP 06113923.4 

Реферат


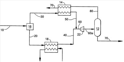
Способ сжижения потока углеводородов, например природного газа, из сырьевого потока включает, по меньшей мере, стадии (а) обеспечения сырьевого потока, (b) разделения сырьевого потока (10) стадии (а) с получением, по меньшей мере, первого сырьевого потока (20), составляющего, по меньшей мере, 90 мас.% от исходного сырьевого потока (10), и второго сырьевого потока (30); (с) сжижения первого сырьевого потока (20) стадии (b) при давлении в интервале от 20 до 100 бар с получением первого потока (40) сжиженного природного газа (СПГ); (d) охлаждения второго сырьевого потока (30) стадии (b) с получением охлажденного сырьевого потока (50); (е) объединения первого потока (40) СПГ стадии (с) с охлажденным сырьевым потоком (50) стадии (d) с получением объединенного потока (60) СПГ; (f) снижения давления объединенного потока СПГ стадии (е) и (g) прохождения объединенного потока (60) СПГ стадии (f) через испарительную емкость (12) с получением потока (70) СПГ-продукта и газового потока (80). Технический результат представляет собой минимизацию потерь и повышение эффективности. 2 н. и 12 з.п. ф-лы, 1 ил., 1 табл.

Дирекция сайта "Промышленная Сибирь"
Россия, г.Омск, ул.Учебная, 199-Б, к.408А
Сайт открыт 01.11.2000
© 2000-2018 Промышленная Сибирь
Разработка дизайна сайта:
Дизайн-студия "RayStudio"