Промышленная Сибирь Ярмарка Сибири Промышленность СФО Электронные торги НОУ-ХАУ Электронные магазины Карта сайта
 
 

Поиск патентов

Как искать?
Реферат
Название
Публикация
Регистрационный номер
Имя заявителя
Имя изобретателя
Имя патентообладателя

    





Оформить заказ и задать интересующие Вас вопросы Вы можете напрямую c 6-00 до 14-30 по московскому времени кроме сб, вс. whatsapp 8-950-950-9888

На данной странице представлена ознакомительная часть выбранного Вами патента

Для получения более подробной информации о патенте (полное описание, формула изобретения и т.д.) Вам необходимо сделать заказ. Нажмите на «Корзину»


ВОСЬМИСТУПЕНЧАТАЯ КОРОБКА ПЕРЕДАЧ СО СДВОЕННЫМ СЦЕПЛЕНИЕМ

Номер публикации патента: 2383800

Вид документа: C1 
Страна публикации: RU 
Рег. номер заявки: 2008140635/11 
  Сделать заказПолучить полное описание патента

Редакция МПК: 
Основные коды МПК: F16H003/083    
Аналоги изобретения: SU 1654040 A1, 07.06.1952. SU 1150107 A1, 15.04.1985. SU 251390 A1, 01.01.1969. US 5071398 A, 10.12.1991. 

Имя заявителя: Государственное образовательное учреждение высшего профессионального образования "Тюменский государственный нефтегазовый университет" (RU) 
Изобретатели: Некрасов Владимир Иванович (RU)
Морозова Анна Андреевна (RU) 
Патентообладатели: Государственное образовательное учреждение высшего профессионального образования "Тюменский государственный нефтегазовый университет" (RU) 

Реферат


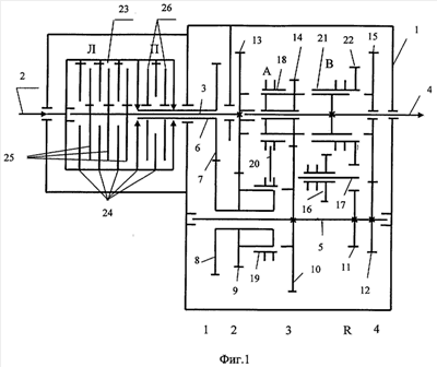
Изобретение относится к транспортному машиностроению, в частности к коробкам передач транспортных машин. На входе в коробку передач расположено сдвоенное сцепление. Часть ведомых дисков этого сцепления установлена на первичном валу КП, а другая часть - на трубчатом валу. На этих валах закреплены шестерни, зацепленные с блоком шестерен, свободно установленные на промежуточном валу, на котором закреплены три шестерни. Соосно первичному валу расположен вторичный вал с двумя свободно установленными на нем шестернями, между ними расположена трехпозиционная муфта переключения. Между средними парами шестерен установлена сдвоенная муфта переключения, состоящая из двух полумуфт, взаимосвязанных вилкой переключения. Достигается расширение эксплуатационных возможностей транспортного средства. 2 ил.

Дирекция сайта "Промышленная Сибирь"
Россия, г.Омск, ул.Учебная, 199-Б, к.408А
Сайт открыт 01.11.2000
© 2000-2018 Промышленная Сибирь
Разработка дизайна сайта:
Дизайн-студия "RayStudio"