Промышленная Сибирь Ярмарка Сибири Промышленность СФО Электронные торги НОУ-ХАУ Электронные магазины Карта сайта
 
 

Поиск патентов

Как искать?
Реферат
Название
Публикация
Регистрационный номер
Имя заявителя
Имя изобретателя
Имя патентообладателя

    





Оформить заказ и задать интересующие Вас вопросы Вы можете напрямую c 6-00 до 14-30 по московскому времени кроме сб, вс. whatsapp 8-950-950-9888

На данной странице представлена ознакомительная часть выбранного Вами патента

Для получения более подробной информации о патенте (полное описание, формула изобретения и т.д.) Вам необходимо сделать заказ. Нажмите на «Корзину»


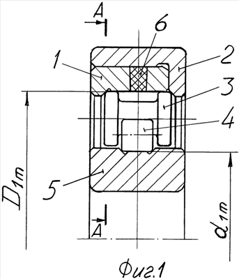
ПОДШИПНИК ГИРОСКОПА БЕССЕПАРАТОРНЫЙ

Номер публикации патента: 2435996

Вид документа: C1 
Страна публикации: RU 
Рег. номер заявки: 2010132419/11 
  Сделать заказПолучить полное описание патента

Редакция МПК: 
Основные коды МПК: F16C019/22   F16C019/28   F16C033/34   F16C033/36    
Аналоги изобретения: RU 2334137 C2, 20.09.2008. SU 1649150 A1, 15.05.1991. RU 231046 C2, 10.03.2008. RU 2226627 С2, 10.04.2004. US 3937536 A, 10.02.1976. 

Имя заявителя: Гонченко Борис Васильевич (RU) 
Изобретатели: Гонченко Борис Васильевич (RU) 
Патентообладатели: Гонченко Борис Васильевич (RU) 

Реферат


Изобретение относится к области приборостроения систем автоматизации и механизации производства. Подшипник содержит однобортовое наружное (1) и двухбортовое внутреннее (5) кольца с дорожками качения и размещенные между ними тела качения, выполненные в виде роликов (3; 4) двухступенчатого типа. Большая ступень роликов (3) верхнего яруса, имеющая два участка, контактирует только с дорожкой качения наружного кольца (1) по линии, а большие ступени роликов (4) нижнего яруса контактируют только с дорожкой качения кольца (5) по линии. Меньшие ступени роликов (3) контактируют по линии с большими ступенями роликов (4). Кольцо (1) установлено на тела качения (3; 4) с предварительным натягом, а тела качения (3; 4) обкатываются с постоянной и одинаковой частотой вращения в противоположные стороны в каждом из ярусов. Диаметры больших ступеней роликов (4), контактирующих с меньшими ступенями роликов (3), - равны. Ролики (3; 4) контактируют друг с другом и дорожками качения по трем линиям. Большие ступени роликов (4), имеющие один участок, контактируют с меньшей ступенью ролика (3), расположенной в средней части ролика (3). Кольцо (1) содержит дополнительное внешнее однобортовое кольцо (2) и, например, от трех до пяти магазинов для заполнения смазкой, выполненных в виде отверстий конического типа, в которые установлены сетки-стаканчики (6), заполненные металлокерамикой, в стаканчиках (6) могут также быть расположены микропроцессоры. Технический результат: снижение шума, повышение частоты вращения, долговечности и надежности работы. 3 ил.

Дирекция сайта "Промышленная Сибирь"
Россия, г.Омск, ул.Учебная, 199-Б, к.408А
Сайт открыт 01.11.2000
© 2000-2018 Промышленная Сибирь
Разработка дизайна сайта:
Дизайн-студия "RayStudio"