Промышленная Сибирь Ярмарка Сибири Промышленность СФО Электронные торги НОУ-ХАУ Электронные магазины Карта сайта
 
 

Поиск патентов

Как искать?
Реферат
Название
Публикация
Регистрационный номер
Имя заявителя
Имя изобретателя
Имя патентообладателя

    





Оформить заказ и задать интересующие Вас вопросы Вы можете напрямую c 6-00 до 14-30 по московскому времени кроме сб, вс. whatsapp 8-950-950-9888

На данной странице представлена ознакомительная часть выбранного Вами патента

Для получения более подробной информации о патенте (полное описание, формула изобретения и т.д.) Вам необходимо сделать заказ. Нажмите на «Корзину»


ТУРБОНАСОСНЫЙ АГРЕГАТ

Номер публикации патента: 2414627

Вид документа: C1 
Страна публикации: RU 
Рег. номер заявки: 2009142083/06 
  Сделать заказПолучить полное описание патента

Редакция МПК: 
Основные коды МПК: F04D013/04   F04D009/04    
Аналоги изобретения: RU 2083881 C1, 10.07.1997. RU 2300021 C1, 27.05.2007. RU 2106534 C1, 10.03.1998. US 5403165 A, 04.04.1995. US 5232333 A, 03.08.1993. 

Имя заявителя: Болотин Николай Борисович (RU) 
Изобретатели: Болотин Николай Борисович (RU) 
Патентообладатели: Болотин Николай Борисович (RU) 

Реферат


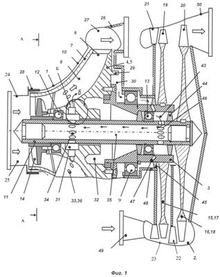
Изобретение относится к насосостроению и может быть использовано, в том числе, в ракетной технике. Турбонасосный агрегат содержит корпуса 10, 23, 24, 26, шнекоцентробежный насос 1 и турбину 2. Насос 1 содержит центробежное рабочее колесо 4 со ступицей 5, имеющей внутреннюю полость 32, установленное на внешнем валу 3, и шнек 14. Вал 3 установлен в подшипнике 9, защищенном уплотнением 45. Турбина 2 содержит две ступени 15, 16 с сопловыми аппаратами 21, 22 и рабочими колесами 19, 20. Внутри вала 3 на подшипниках 12, 13 установлен внутренний вал 11. Рабочие колеса 19, 20 турбины 2 установлены соответственно на внешнем и внутреннем валах 3, 11, а шнек 14 установлен на внешнем валу 3. В ступице 5 выполнены сквозные отверстия 33, соединяющие полость 31 ступицы 5 с полостью 8 внутри колеса 4. Внутри сквозных отверстий 33 могут быть установлены центробежные регуляторы расхода 36. Изобретение направлено на улучшение кавитационных свойств насоса, входящего в состав турбонасосного агрегата, и обеспечение разгрузки осевых сил внутреннего и внешнего валов. 2 з.п. ф-лы, 6 ил.

Дирекция сайта "Промышленная Сибирь"
Россия, г.Омск, ул.Учебная, 199-Б, к.408А
Сайт открыт 01.11.2000
© 2000-2018 Промышленная Сибирь
Разработка дизайна сайта:
Дизайн-студия "RayStudio"